LEMON Manuals: Even more car manuals for everyone: 1960-2025
Home >> Nissan-Datsun >> 2004 >> Sentra SE-R >> Repair and Diagnosis >> Transmission >> Automatic Trans >> Automatic Transaxle - Re4F04B >> Overall System >> Circuit Diagram
April 5, 2026: LEMON Manuals is launched! Read the announcement.

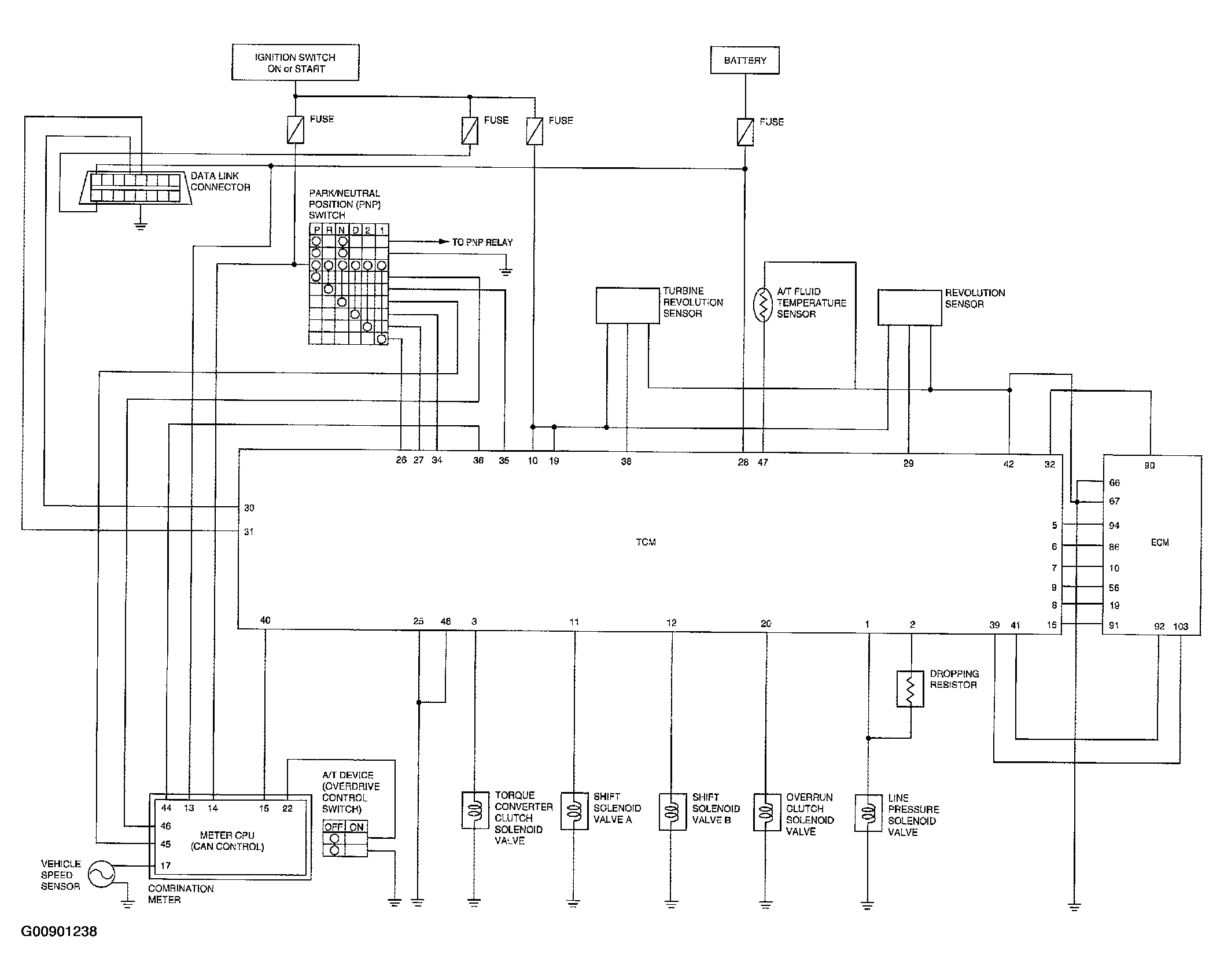
Circuit Diagram

Fig 1: Circuit Diagram
G00901238Courtesy of NISSAN MOTOR CO., U.S.A.