LEMON Manuals: Even more car manuals for everyone: 1960-2025
Home >> Nissan-Datsun >> 2005 >> Altima SE-R, Automatic >> Repair and Diagnosis >> Electrical >> Gauges >> Driver Information System >> Board Computer >> Schematic
April 5, 2026: LEMON Manuals is launched! Read the announcement.

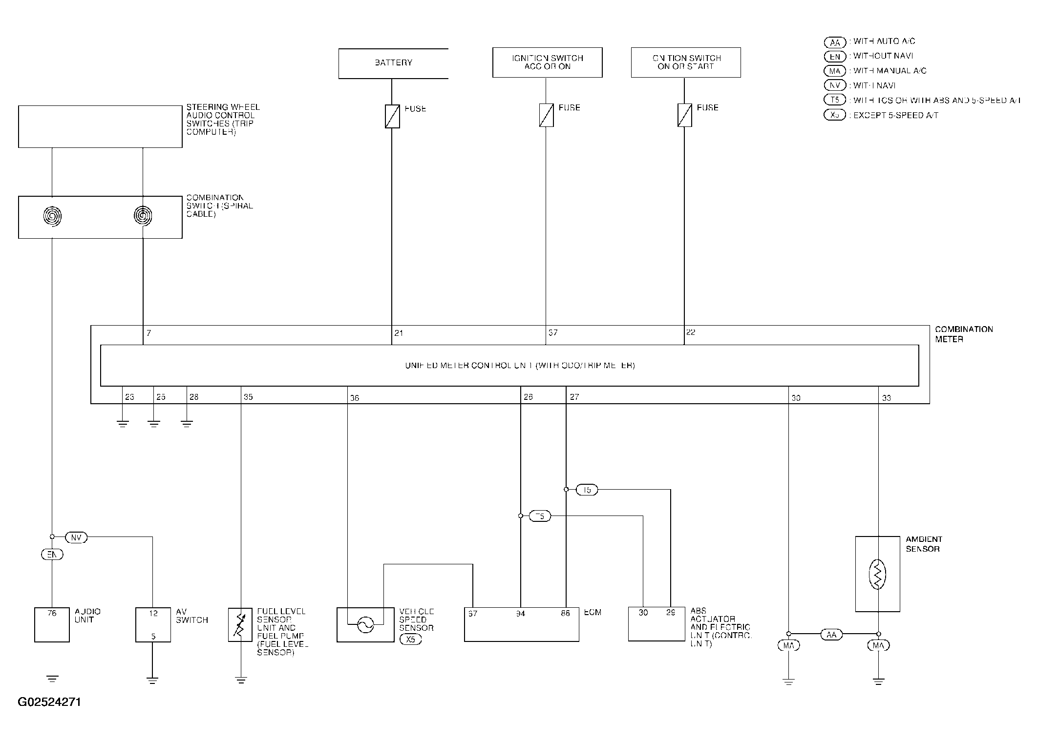
Board Computer: Schematic

Fig 1: Schematic Diagram
G02524271Courtesy of NISSAN MOTOR CO., U.S.A.