LEMON Manuals: Even more car manuals for everyone: 1960-2025
Home >> Nissan-Datsun >> 2005 >> Armada LE, 4WD >> Repair and Diagnosis >> Engine Performance >> Engine Control System >> Mil And Data Link Connector >> Wiring Diagram
April 5, 2026: LEMON Manuals is launched! Read the announcement.

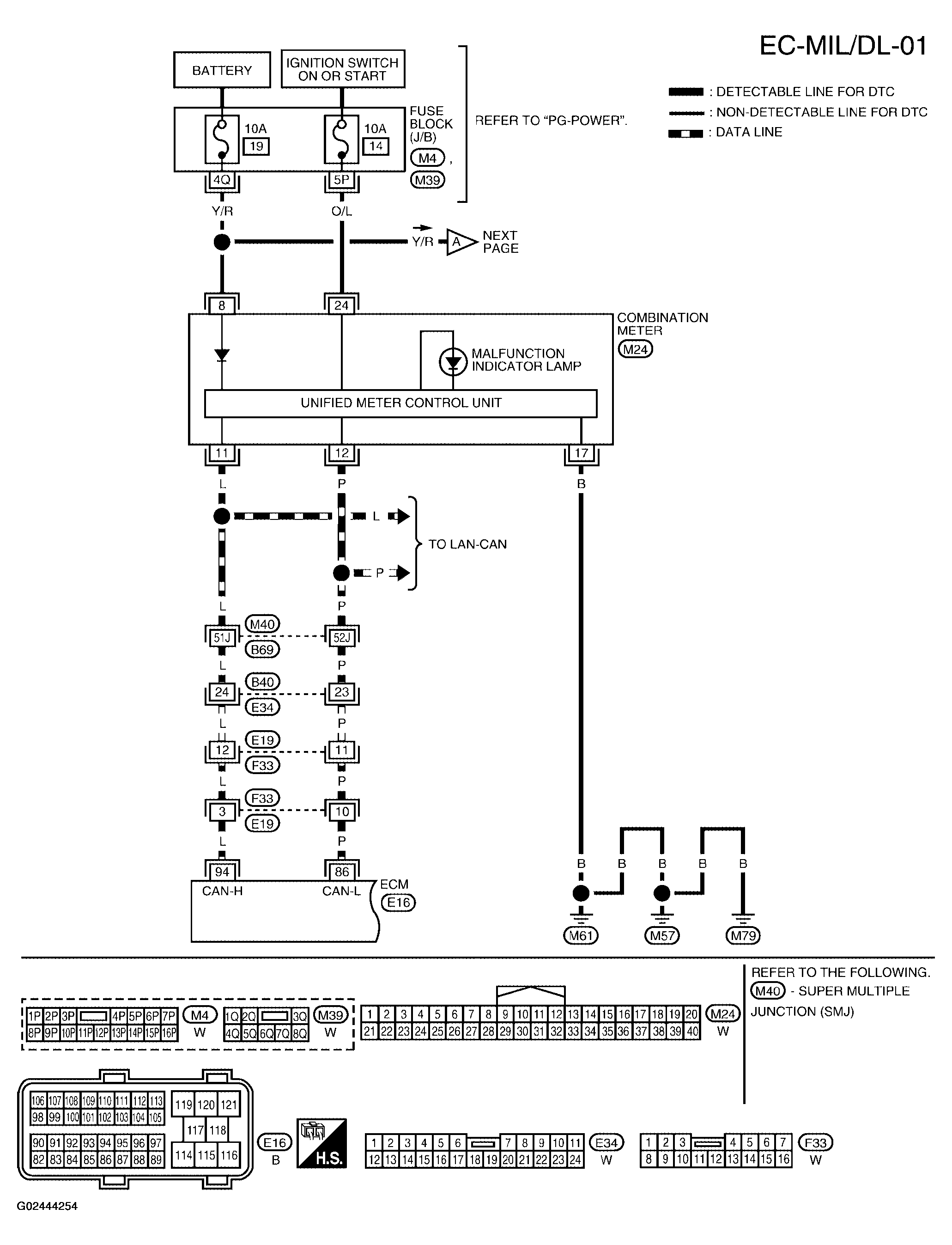
Mil And Data Link Connector: Wiring Diagram

For references to PG-POWER, see POWER SUPPLY, GROUND & CIRCUIT ELEMENTS

Fig 1: Wiring Diagram (EC-MIL/DL-01)
G02444254Courtesy of NISSAN MOTOR CO., U.S.A.
Fig 2: Wiring Diagram (EC-MIL/DL-02)
G02444255Courtesy of NISSAN MOTOR CO., U.S.A.