LEMON Manuals: Even more car manuals for everyone: 1960-2025
Home >> Nissan-Datsun >> 2005 >> Armada LE, RWD >> Repair and Diagnosis >> Engine Performance >> Engine Control System >> Ignition Signal >> Wiring Diagram
April 5, 2026: LEMON Manuals is launched! Read the announcement.

Ignition Signal: Wiring Diagram

For references to PG-POWER, see POWER SUPPLY, GROUND & CIRCUIT ELEMENTS

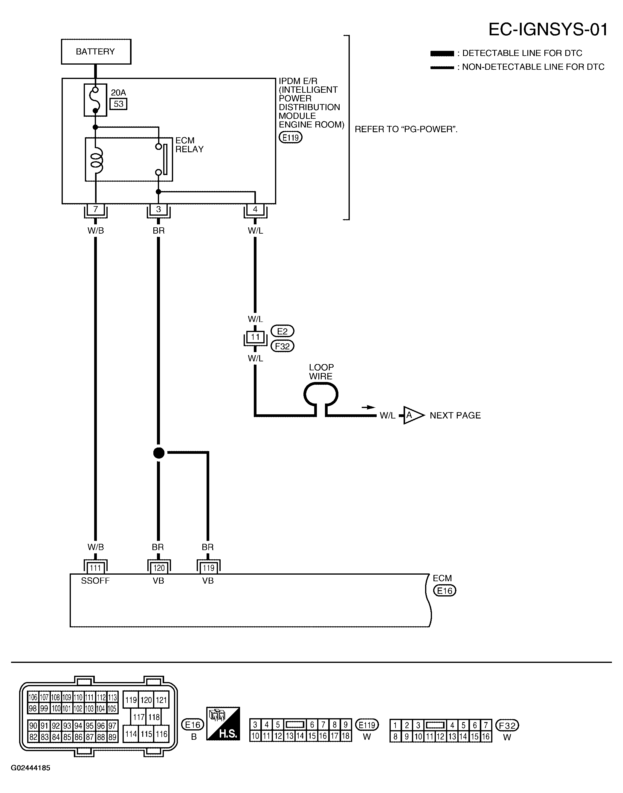
Fig 1: Wiring Diagram - (EC-IGNSYS-01)
G02444185Courtesy of NISSAN MOTOR CO., U.S.A.

Specification data are reference values and are measured between each terminal and ground.

CAUTION: Do not use ECM ground terminals when measuring input/output voltage. Doing so may result in damage to the ECM's transistor. Use a ground other than ECM terminals, such as the ground. 
Fig 2: Terminal Specification Chart
G02444186Courtesy of NISSAN MOTOR CO., U.S.A.
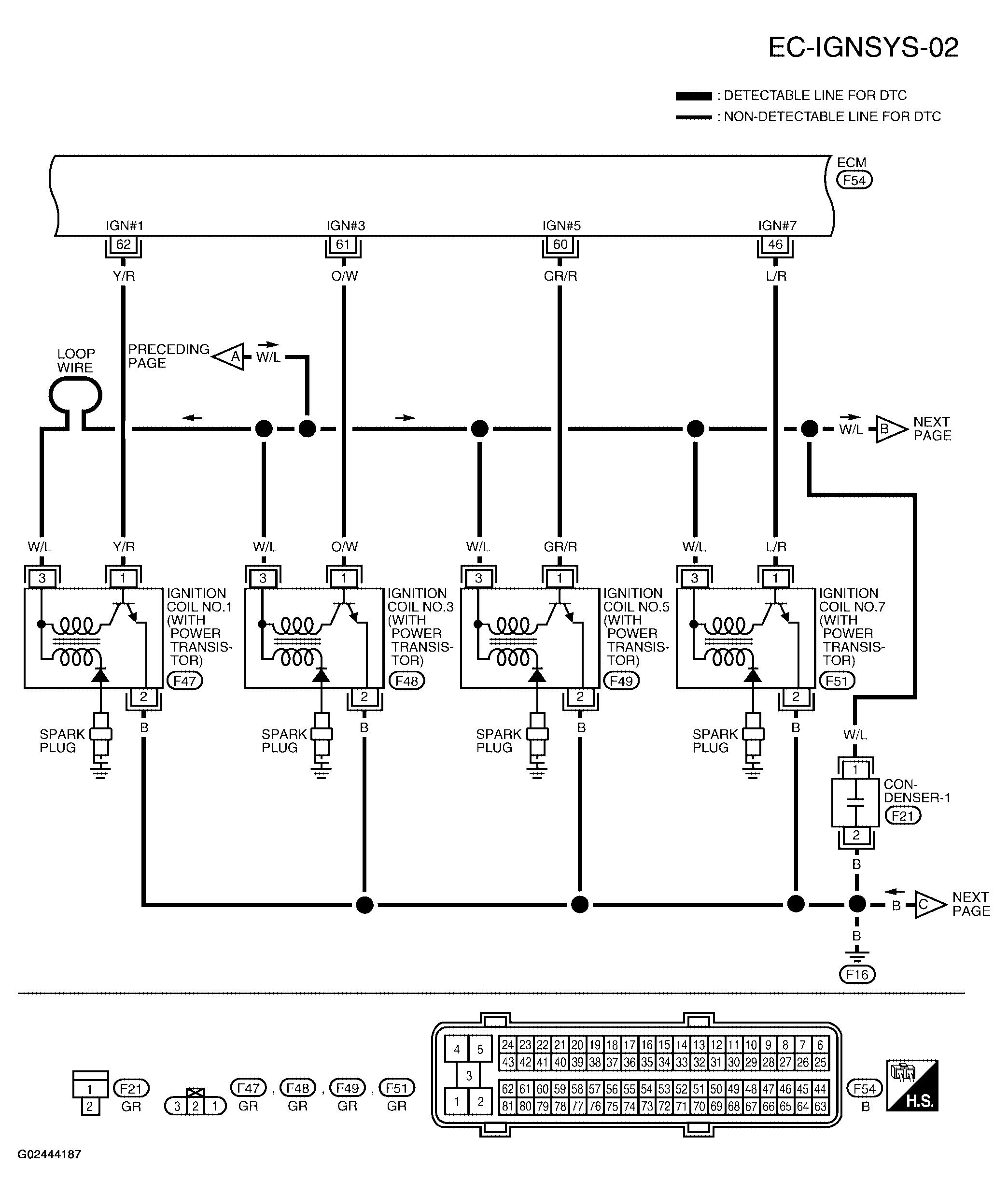
Fig 3: Wiring Diagram - (EC-IGNSYS-02)
G02444187Courtesy of NISSAN MOTOR CO., U.S.A.

Specification data are reference values and are measured between each terminal and ground. Pulse signal is measured by CONSULT-II.

CAUTION: Do not use ECM ground terminals when measuring input/output voltage. Doing so may result in damage to the ECM's transistor. Use a ground other than ECM terminals, such as the ground. 
Fig 4: ECM Ground Terminals Input/Output Voltage Reference Chart
G02444188Courtesy of NISSAN MOTOR CO., U.S.A.
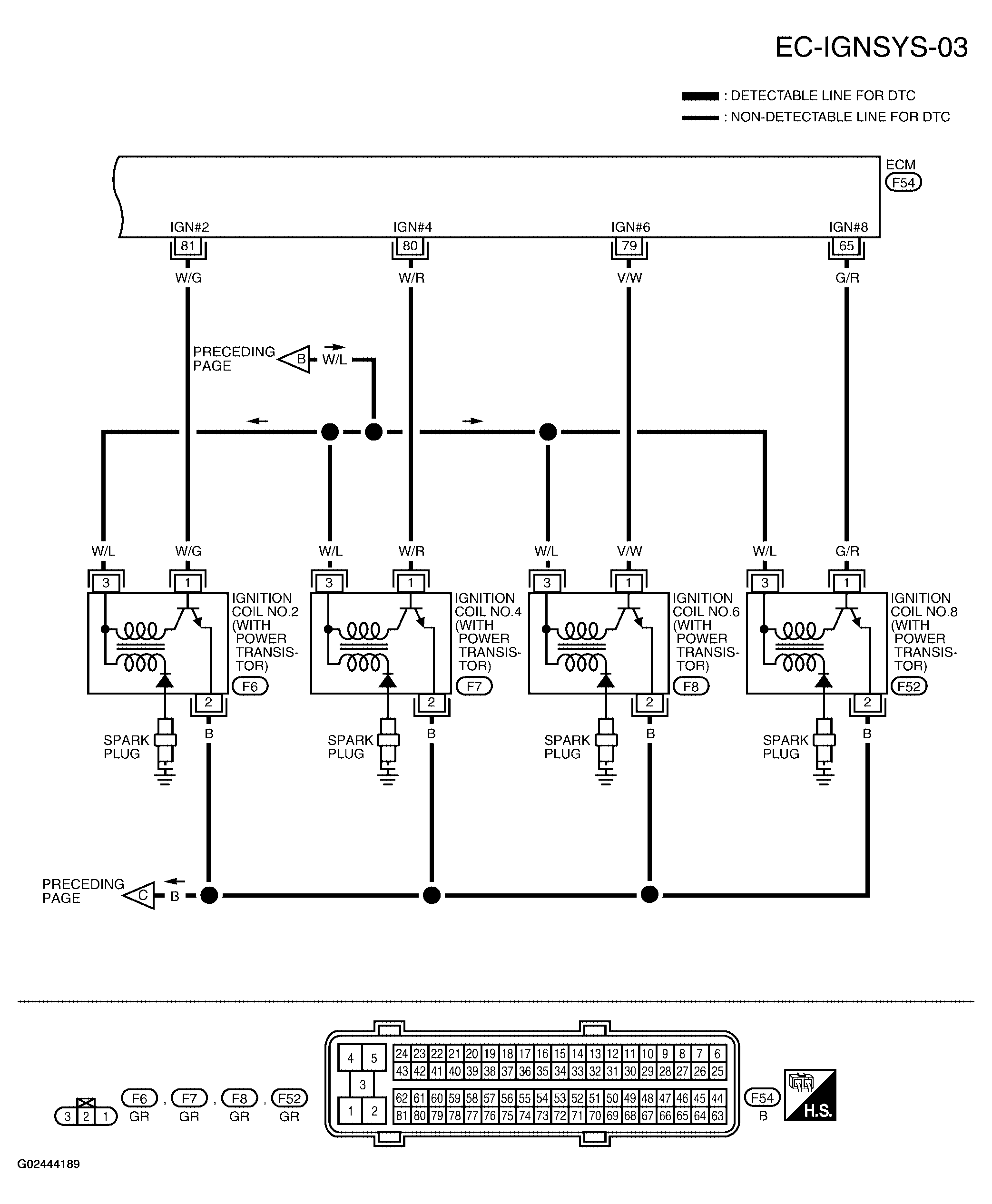
Fig 5: Wiring Diagram - (EC-IGNSYS-03)
G02444189Courtesy of NISSAN MOTOR CO., U.S.A.

Specification data are reference values and are measured between each terminal and ground. Pulse signal is measured by CONSULT-II.

CAUTION: Do not use ECM ground terminals when measuring input/output voltage. Doing so may result in damage to the ECM's transistor. Use a ground other than ECM terminals, such as the ground. 
Fig 6: ECM Ground Terminals Input/Output Voltage Reference Chart
G02444190Courtesy of NISSAN MOTOR CO., U.S.A.