LEMON Manuals: Even more car manuals for everyone: 1960-2025
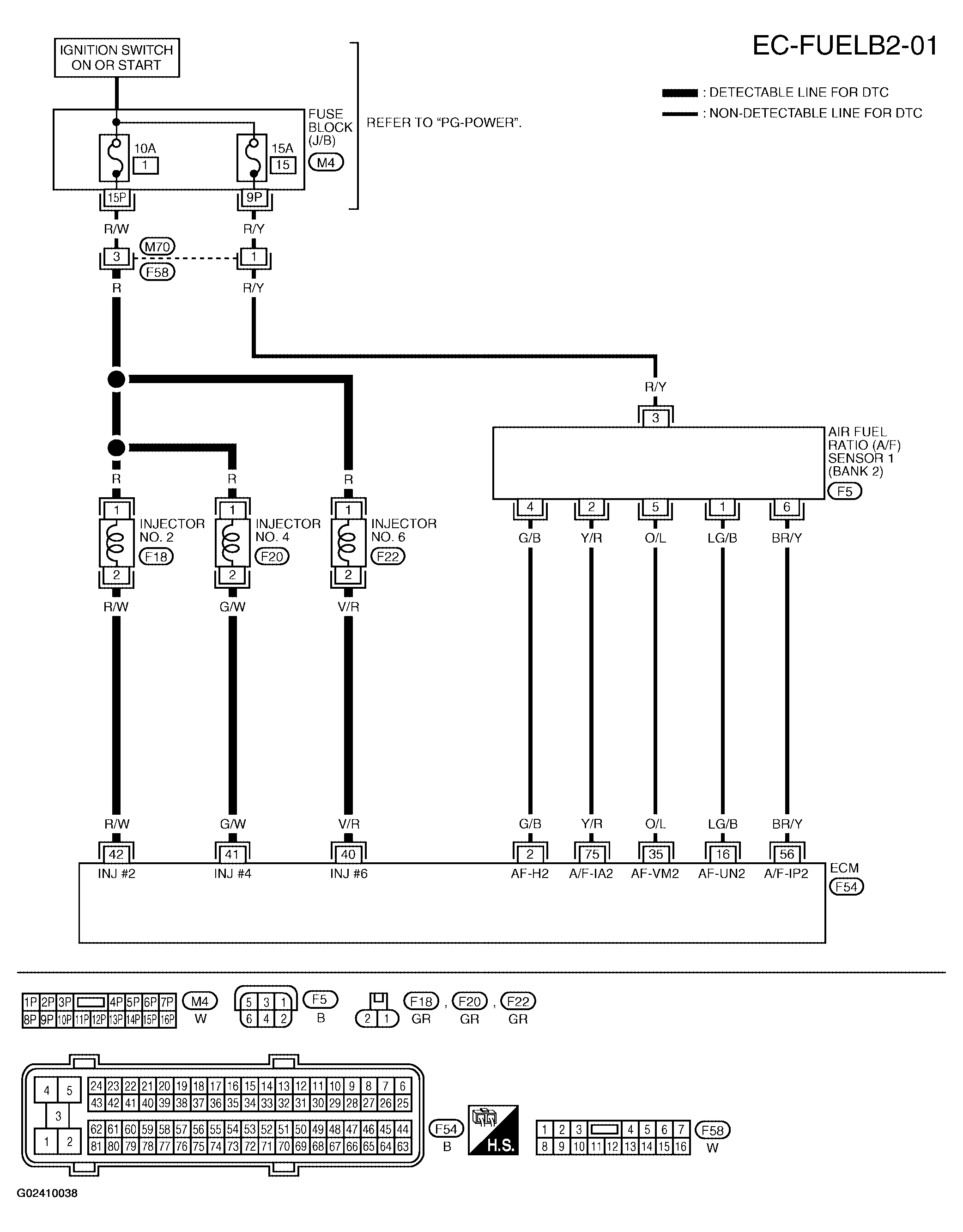
Home >> Nissan-Datsun >> 2005 >> Maxima SL >> Repair and Diagnosis (Single Page) >> Engine Performance >> Engine Control System >> DTC P0172, P0175: Fuel Injection System Function >> Wiring Diagram >> Bank 2.
April 5, 2026: LEMON Manuals is launched! Read the announcement.

Bank 2.

Fig 1: Wiring Diagram - (EC-FUELB2-01)
G02410038Courtesy of NISSAN MOTOR CO., U.S.A.