LEMON Manuals: Even more car manuals for everyone: 1960-2025
Home >> Nissan-Datsun >> 2005 >> Quest Base >> Repair and Diagnosis >> External Pages >> Different car >> Section 249 (Lighting System) >> Headlamp Aiming Control >> Switch Circuit Inspection
April 5, 2026: LEMON Manuals is launched! Read the announcement.

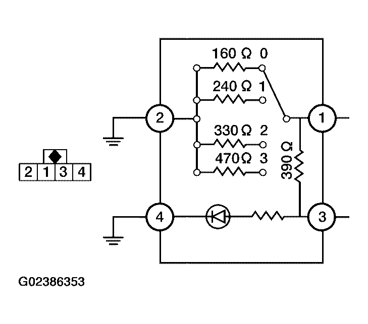
Switch Circuit Inspection

WARNING: This page is about a different car, the 2005 Infiniti QX56. However, it is still accessible from the selected car via links, so may be relevant.

Using a circuit tester, check continuity between the headlamp aiming switch connector terminals in each operation status of the aiming switch.