LEMON Manuals: Even more car manuals for everyone: 1960-2025
Home >> Nissan-Datsun >> 2005 >> Quest Base >> Repair and Diagnosis >> External Pages >> Different car >> Section 249 (Lighting System) >> Illumination >> Schematic
April 5, 2026: LEMON Manuals is launched! Read the announcement.

Section 249 (Lighting System): Illumination: Schematic

WARNING: This page is about a different car, the 2005 Infiniti QX56. However, it is still accessible from the selected car via links, so may be relevant.
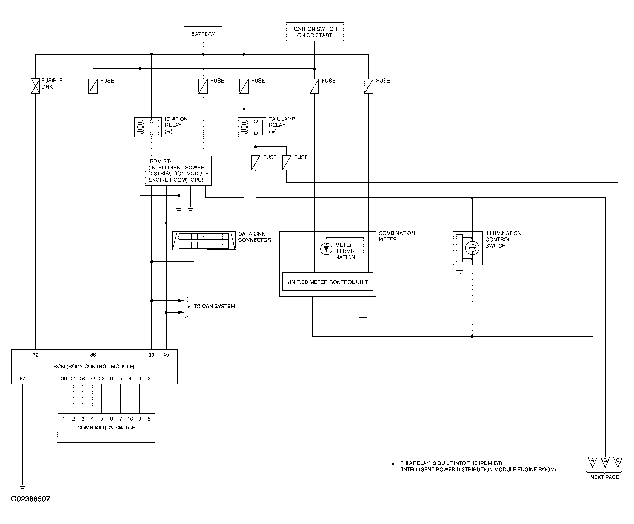
Fig 1: Illumination - Schematic Diagram (1 Of 3)
G02386507Courtesy of NISSAN MOTOR CO., U.S.A.
Fig 2: Illumination - Schematic Diagram (2 Of 3)
G02386508Courtesy of NISSAN MOTOR CO., U.S.A.
Fig 3: Illumination - Schematic Diagram (3 Of 3)
G02386509Courtesy of NISSAN MOTOR CO., U.S.A.