LEMON Manuals: Even more car manuals for everyone: 1960-2025
Home >> Nissan-Datsun >> 2005 >> Sentra Base, Automatic >> Repair and Diagnosis >> Brakes >> Traction Control >> Brake Control System >> Description >> Schematic
April 5, 2026: LEMON Manuals is launched! Read the announcement.

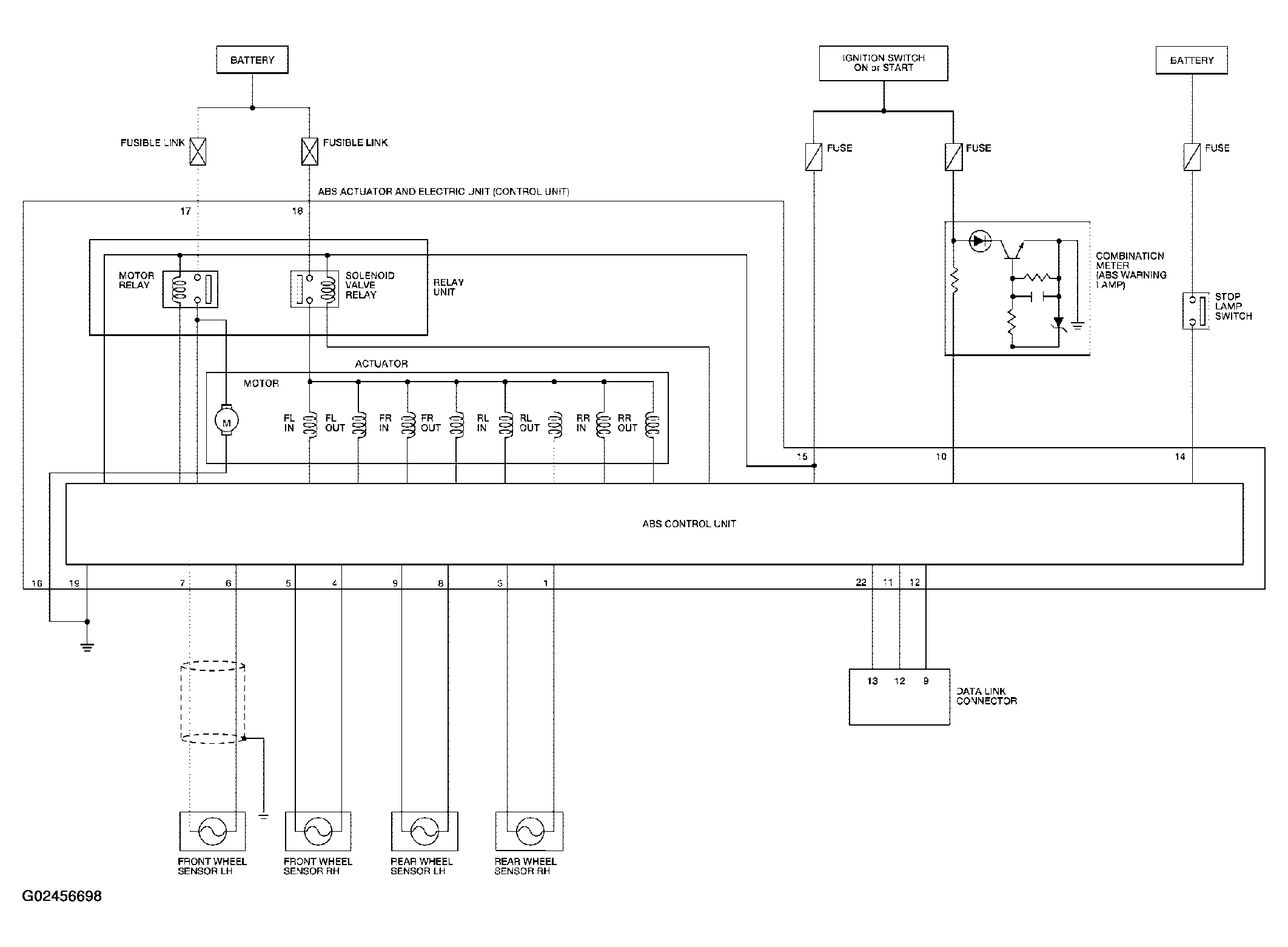
Brake Control System: Description: Schematic

Fig 1: Anti-Lock Brake System Schematic Diagram
G02456698Courtesy of NISSAN MOTOR CO., U.S.A.