LEMON Manuals: Even more car manuals for everyone: 1960-2025
Home >> Nissan-Datsun >> 2005 >> Sentra SE-R Spec V >> Repair and Diagnosis >> External Pages >> Different car >> Section 18 (Body, Lock & Security System) >> Intelligent Key System >> Wiring Diagram - I/KEY -
April 5, 2026: LEMON Manuals is launched! Read the announcement.

Wiring Diagram - I/KEY -

WARNING: This page is about a different car, the 2007 Nissan Sentra. However, it is still accessible from the selected car via links, so may be relevant.

For PG, go to POWER SUPPLY, GROUND & CIRCUIT ELEMENTS .

Fig 1: Wiring Diagram - BL-I/KEY-01
G04927625
Fig 2: Wiring Diagram - BL-I/KEY-02
G04927626
Fig 3: Wiring Diagram - BL-I/KEY-03
G04927627
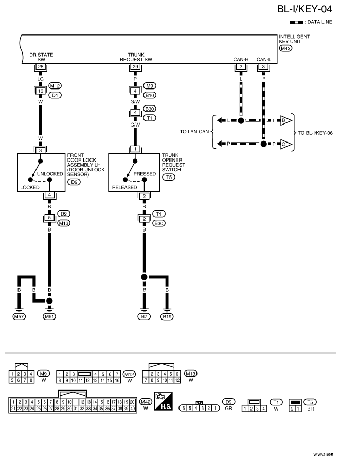
Fig 4: Wiring Diagram - BL-I/KEY-04
G04927628
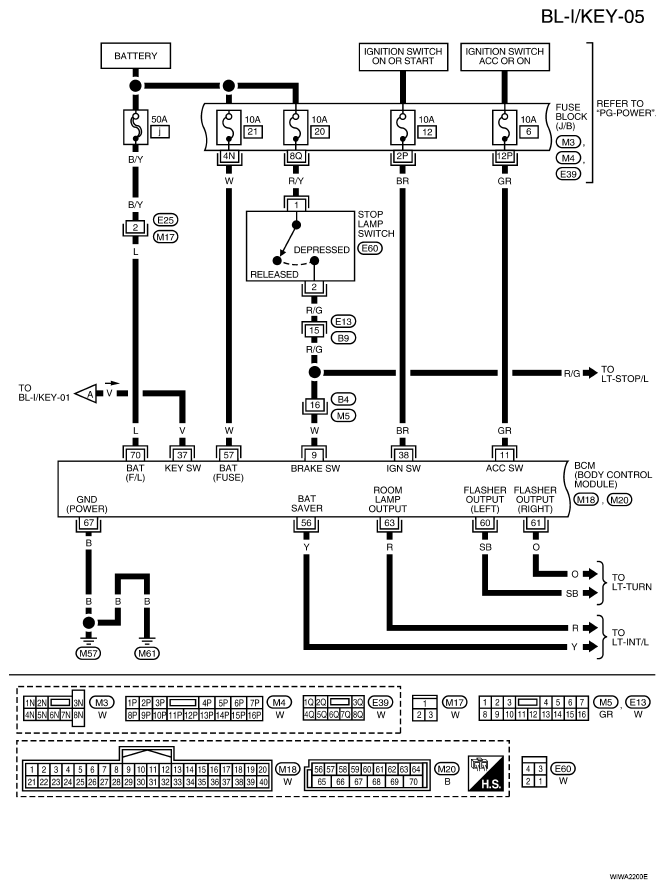
Fig 5: Wiring Diagram - BL-I/KEY-05
G04927629
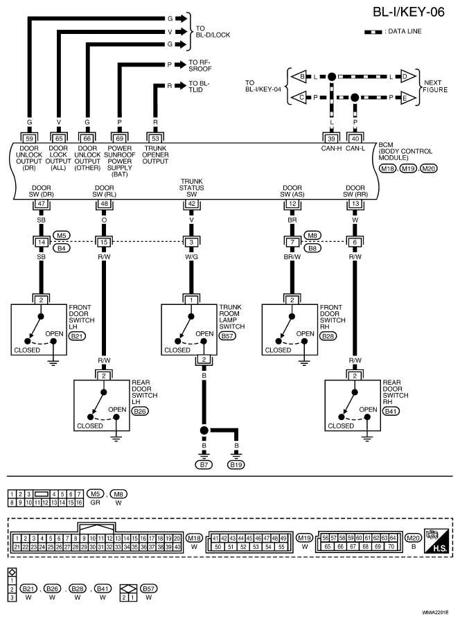
Fig 6: Wiring Diagram - BL-I/KEY-06
G04927630
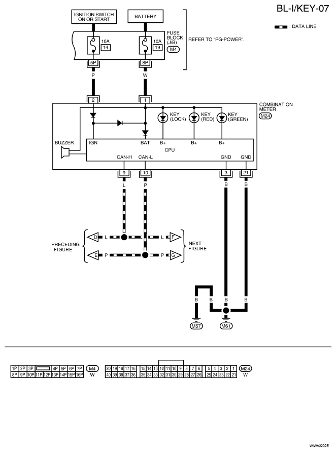
Fig 7: Wiring Diagram - BL-I/KEY-07
G04927631
Fig 8: Wiring Diagram - BL-I/KEY-08
G04927632