LEMON Manuals: Even more car manuals for everyone: 1960-2025
Home >> Nissan-Datsun >> 2005 >> Sentra SE-R Spec V >> Repair and Diagnosis >> External Pages >> Different car >> Section 18 (Body, Lock & Security System) >> Remote Keyless Entry System >> Wiring Diagram - KEYLES -
April 5, 2026: LEMON Manuals is launched! Read the announcement.

Wiring Diagram - KEYLES -

WARNING: This page is about a different car, the 2007 Nissan Sentra. However, it is still accessible from the selected car via links, so may be relevant.

For PG, go to POWER SUPPLY, GROUND & CIRCUIT ELEMENTS .

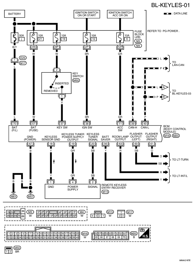
Fig 1: Wiring Diagram - BL-KEYLES-01
G04927589
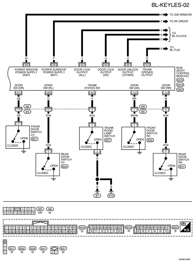
Fig 2: Wiring Diagram - BL-KEYLES-02
G04927590
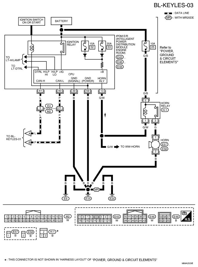
Fig 3: Wiring Diagram - BL-KEYLES-03
G04927591