LEMON Manuals: Even more car manuals for everyone: 1960-2025
Home >> Nissan-Datsun >> 2005 >> Sentra SE-R Spec V >> Repair and Diagnosis >> External Pages >> Different car >> Section 79 (Audio Visual, Navigation & Telephone System) >> Service Information >> Audio >> Wiring Diagram - AUDIO - >> Mid System >> Notes
April 5, 2026: LEMON Manuals is launched! Read the announcement.

Mid System: Notes

WARNING: This page is about a different car, the 2009 Nissan Sentra. However, it is still accessible from the selected car via links, so may be relevant.
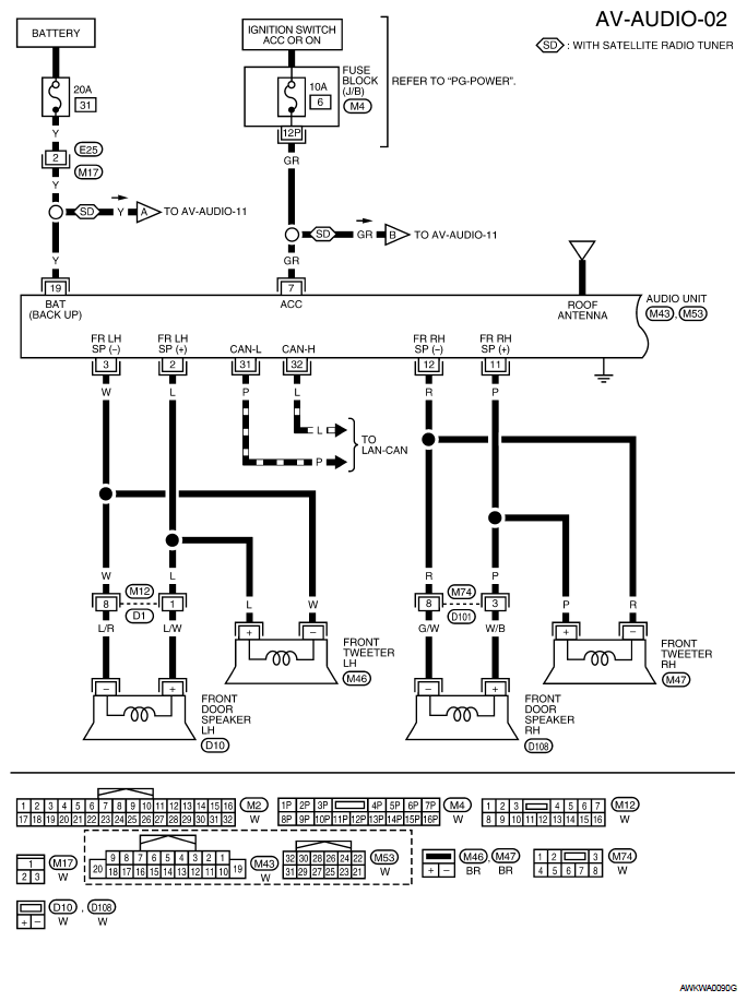
Fig 1: AV-AUDIO-02 - Wiring Diagram
G05924994Courtesy of NISSAN MOTOR CO., U.S.A.
Fig 2: AV-AUDIO-03 - Wiring Diagram
G05924995Courtesy of NISSAN MOTOR CO., U.S.A.