LEMON Manuals: Even more car manuals for everyone: 1960-2025
Home >> Nissan-Datsun >> 2005 >> Sentra SE-R Spec V >> Repair and Diagnosis >> External Pages >> Different car >> Section 79 (Audio Visual, Navigation & Telephone System) >> Service Information >> Integrated Display System >> Wiring Diagram - INF/D - >> Notes
April 5, 2026: LEMON Manuals is launched! Read the announcement.

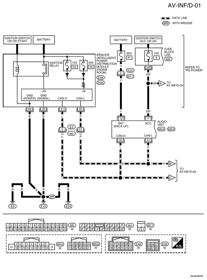
Wiring Diagram - INF/D -: Notes

WARNING: This page is about a different car, the 2009 Nissan Sentra. However, it is still accessible from the selected car via links, so may be relevant.
NOTE: For references to PG-Power, see POWER SUPPLY, GROUND & CIRCUIT ELEMENTS .
Fig 1: AV-INF/D-01 - Wiring Diagram
G04928700Courtesy of NISSAN MOTOR CO., U.S.A.