LEMON Manuals: Even more car manuals for everyone: 1960-2025
Home >> Nissan-Datsun >> 2005 >> Sentra SE-R >> Repair and Diagnosis >> Electrical >> Fuses & Circuit Breakers >> Identification >> Fuse Circuits
April 5, 2026: LEMON Manuals is launched! Read the announcement.

Fuse Circuits

Fig 1: Power Supply Routing Schematic (1 Of 2)
G02452422Courtesy of NISSAN MOTOR CO., U.S.A.
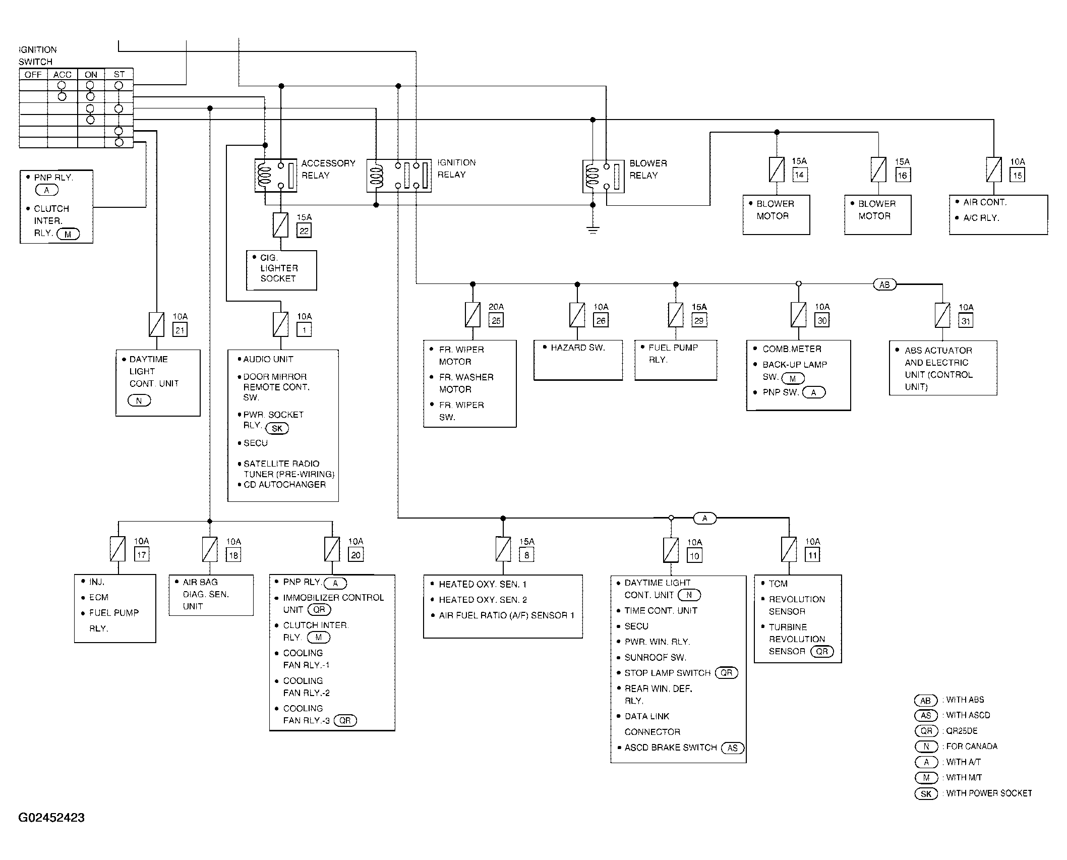
Fig 2: Power Supply Routing Schematic (2 Of 2)
G02452423Courtesy of NISSAN MOTOR CO., U.S.A.
Fig 3: Wiring Diagram PG-POWER-01
G02452424Courtesy of NISSAN MOTOR CO., U.S.A.
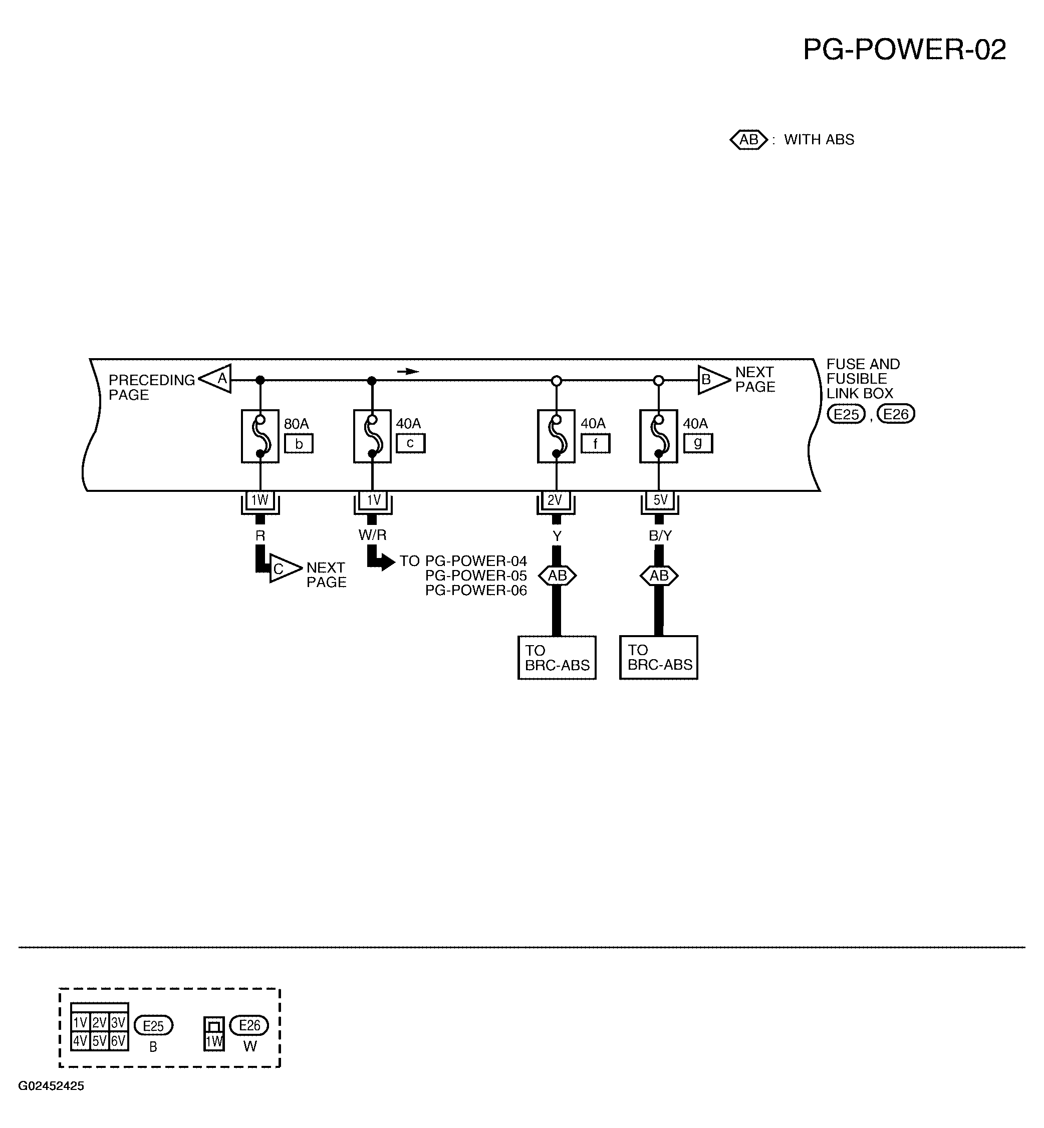
Fig 4: Wiring Diagram PG-POWER-02
G02452425Courtesy of NISSAN MOTOR CO., U.S.A.
Fig 5: Wiring Diagram PG-POWER-03
G02452426Courtesy of NISSAN MOTOR CO., U.S.A.
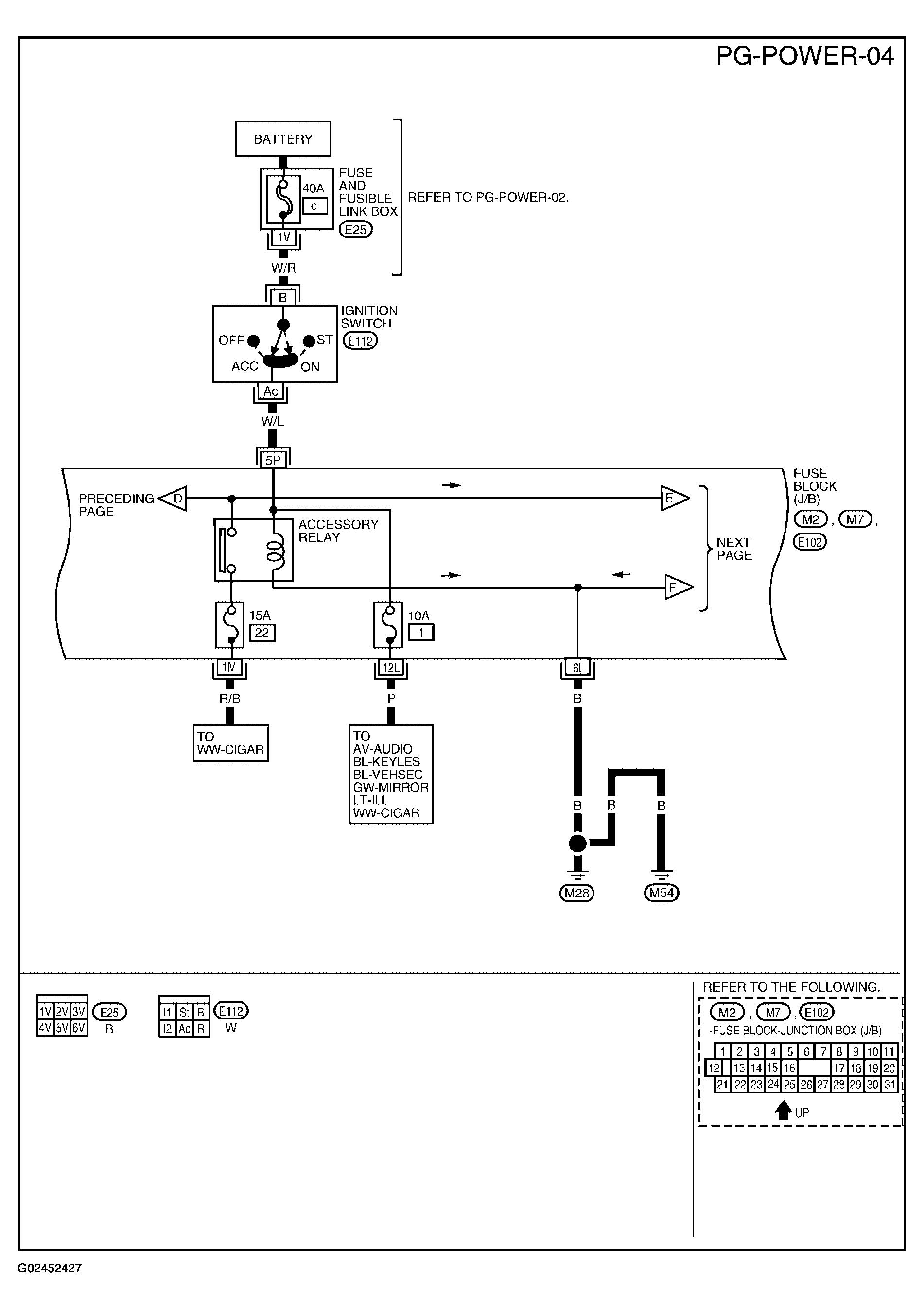
Fig 6: Wiring Diagram PG-POWER-04
G02452427Courtesy of NISSAN MOTOR CO., U.S.A.
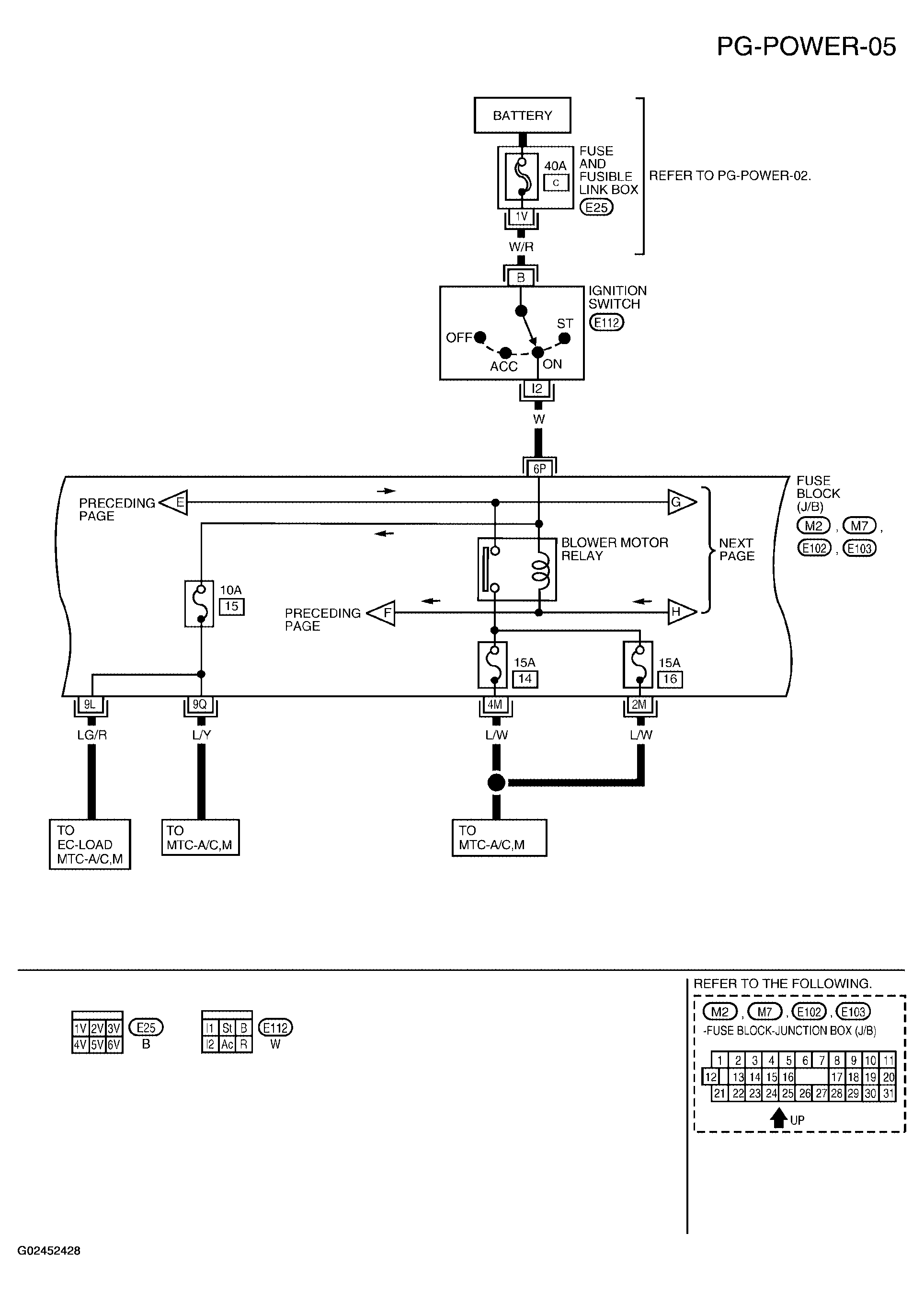
Fig 7: Wiring Diagram PG-POWER-05
G02452428Courtesy of NISSAN MOTOR CO., U.S.A.
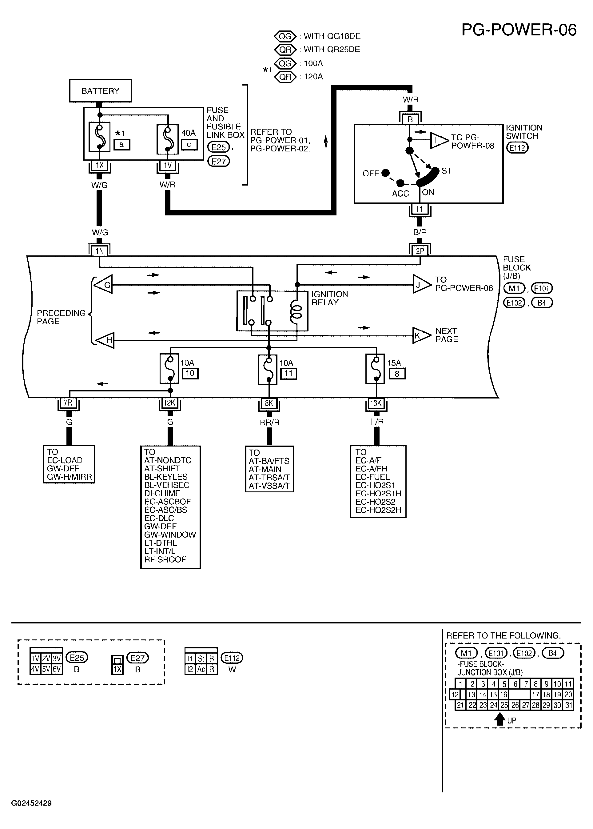
Fig 8: Wiring Diagram PG-POWER-06
G02452429Courtesy of NISSAN MOTOR CO., U.S.A.
Fig 9: Wiring Diagram PG-POWER-07
G02452430Courtesy of NISSAN MOTOR CO., U.S.A.
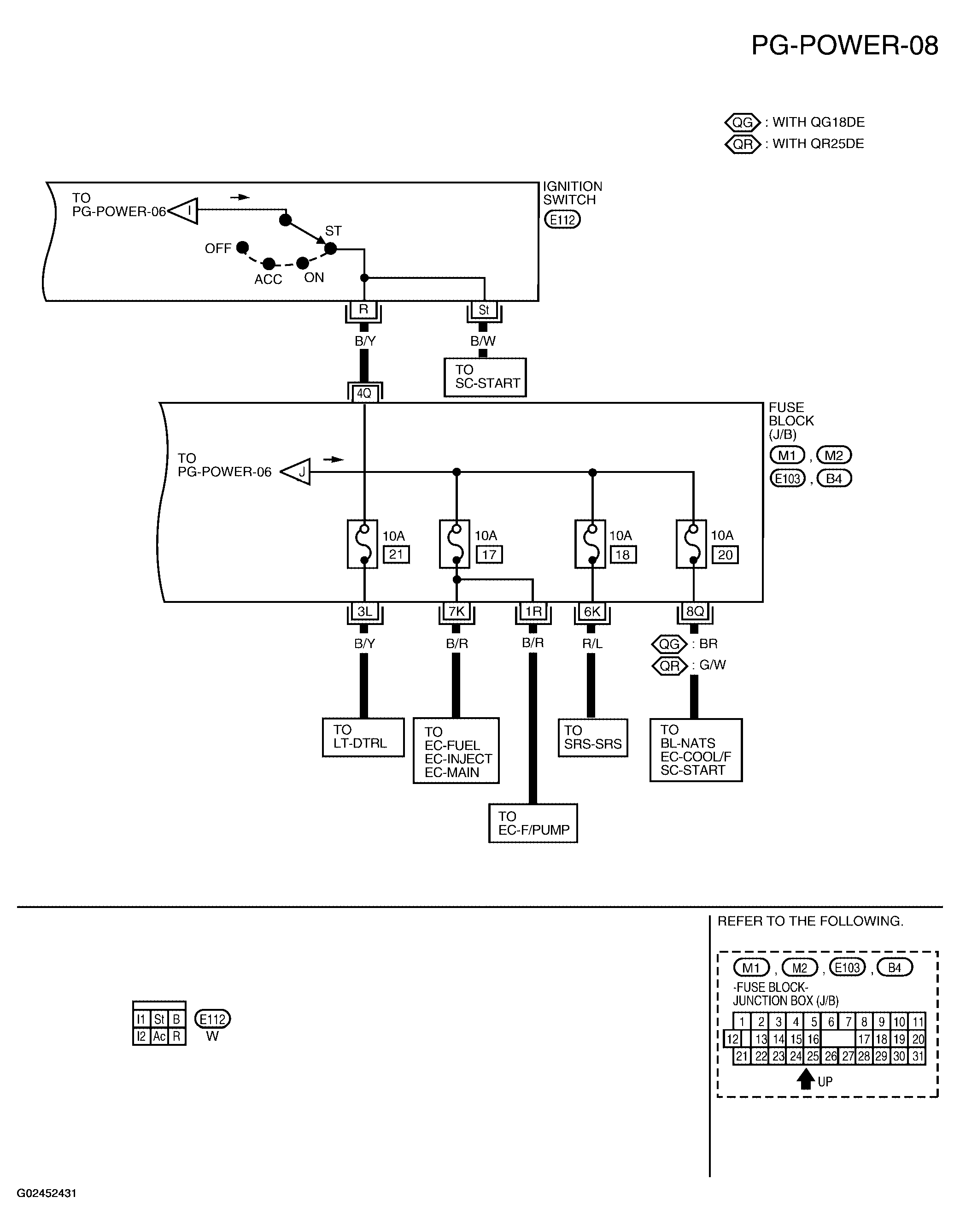
Fig 10: Wiring Diagram PG-POWER-08
G02452431Courtesy of NISSAN MOTOR CO., U.S.A.

Use the chart below to find out what each wiring diagram code stands for.

WIRING DIAGRAM CODES CHART

Code Wiring Diagram Name
1STSIG A/T 1ST Signal
2NDSIG A/T 2ND Signal
3RDSIG A/T 3RD Signal
4THSIG A/T 4TH Signal
ABS Anti-lock Brake System
A/C,M Air Conditioner
A/F Air Fuel Ratio (A/F) Sensor 1
A/FH Air Fuel Ratio (A/F) Sensor 1 Heater
APPS1 Accelerator Pedal Position Sensor
APPS2 Accelerator Pedal Position Sensor
APPS3 Accelerator Pedal Position Sensor
ASC/BS ASCD Brake Switch
ASCBOF ASCD Brake Switch
ASCIND ASCD Indicator
ASC/SW ASCD Steering Switch
AUDIO Audio
B/COMP Board computer
BACK/L Back-up Lamp
BA/FTS A/T Fluid Temperature Sensor and TCM Power Supply
BRK/SW Brake Switch
CAN CAN Communication Line
CAN CAN Communication Line
CAN CAN Communication Line
CHARGE Charging System
CHIME Warning Chime
CIGAR Cigarette Lighter
COOL/F Cooling Fan Control
DEF Rear Window Defogger
DLC Data Link Connector
D/LOCK Power Door Lock
DTRL Headlamp - With Daytime Light System (For Canada)
ECM/PW ECM Power Supply For Back-Up
ECTS Engine Coolant Temperature Sensor
ENGSS Engine Speed Signal
ETC1 Electric Throttle Control Function
ETC2 Throttle Control Motor Relay
ETC3 Throttle Control Motor
F/FOG Front Fog Lamp
F/PUMP Fuel Pump Control
FTS A/T Fluid Temperature Sensor
FTTS Fuel Tank Temperature Sensor
FUEL Fuel Injection System Function
HEATER Heater System
H/LAMP Headlamp
H/MIRR Heated Mirror
HO2S1 Heated Oxygen Sensor 1
HO2S1H Heated Oxygen Sensor 1 Heater
HO2S2 Heated Oxygen Sensor 2
HO2S2H Heated Oxygen Sensor 2 Heater
HORN Horn
IATS Intake Air Temperature Sensor
IGNSYS Ignition Signal
ILL Illumination
INJECT Injector
INT/L Interior, Step, Spot, Vanity Mirror and Trunk Room Lamps
IVC Intake Valve Timing Control Solenoid Valve
KEYLES Remote Keyless Entry System
KS Knock Sensor
LOAD Load Signal
LPSV Line Pressure Solenoid Valve
MAFS Mass Air Flow Sensor
MAIN Main Power Supply and Ground Circuit
MAIN Main Power Supply and Ground Circuit
METER Speedometer, Tachometer, Temp., and Fuel Gauges
MIL/DL Malfunction Indicator Lamp and Data Link Connector
MIRROR Power Door Mirror
NATS NVIS (Nissan Vehicle Immobilizer System - NATS)
NONDTC Non-detectable Items
OVRCSV Overrun Clutch Solenoid Valve
PGC/V EVAP Canister Purge Volume Control Solenoid Valve
PHASE Camshaft Position Sensor (PHASE)
PNP/SW Park/Neutral Position Switch
PNP/SW Park/Neutral Position Switch
POS Crankshaft Position Sensor (POS)
POWER Power Supply Routing
PRE/SE EVAP Control System Pressure Sensor
PS/SEN Power Steering Pressure Sensor
ROOM/L Room Lamp
RP/SEN Refrigerant Pressure Sensor
SEN/PW Sensor Power Supply
SHIFT A/T Shift Lock System
SROOF Sunroof
SRS Supplemental Restraint System
SSV/A Shift Solenoid Valve A
SSV/B Shift Solenoid Valve B
START Starting System
STOP/L Stop Lamp
SWL/S Swirl Control Valve Position Sensor [QG18DE (SULEV)]
SWL/V Swirl Control Valve [QG18DE (SULEV)]
TAIL/L Parking, License and Tail Lamps
TCCSIG A/T TCC Signal (Lock Up)
TCV Torque Converter Clutch Solenoid Valve
TLID Trunk Lid Opener
TPS Throttle Position Sensor
TPS1 Throttle Position Sensor
TPS2 Throttle Position Sensor
TPS3 Throttle Position Sensor
TRSA/T Turbine Revolution Sensor (QR25DE Model)
TURN Turn Signal and Hazard Warning Lamps
VIAS Variable Air Induction Control System (QR25DE Model)
VEHSEC Vehicle Security System
VENT/V EVAP Canister Vent Control Valve
VSS Vehicle Speed Sensor
VSSA/T Vehicle Speed Sensor A/T (Revolution Sensor)
VSSMTR Vehicle Speed Sensor MTR
WARN Warning Lamps
WINDOW Power Window
WIPER Front Wiper and Washer