LEMON Manuals: Even more car manuals for everyone: 1960-2025
Home >> Nissan-Datsun >> 2005 >> Sentra SE-R >> Repair and Diagnosis >> External Pages >> Different car >> Section 15 (Continuously Variable Transmission (CVT)) >> DTC P0826 Manual Mode Switch Circuit >> Wiring Diagram - CVT - MMSW >> Notes
April 5, 2026: LEMON Manuals is launched! Read the announcement.

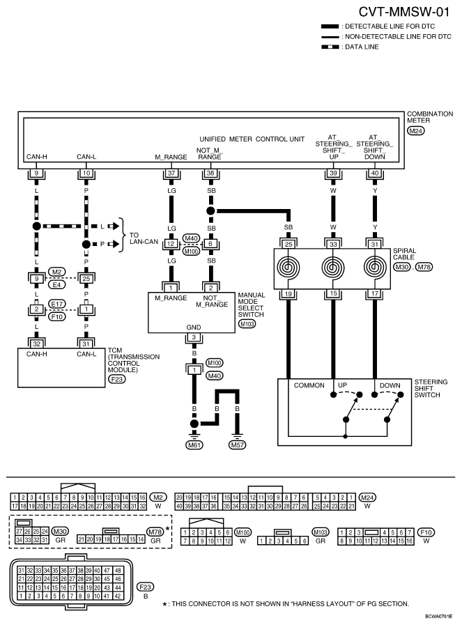
Wiring Diagram - CVT - MMSW: Notes

WARNING: This page is about a different car, the 2007 Nissan Sentra. However, it is still accessible from the selected car via links, so may be relevant.

For PG, go to POWER SUPPLY, GROUND & CIRCUIT ELEMENTS .

Fig 1: Wiring Diagram - CVT-MMSW-01
G04927059