LEMON Manuals: Even more car manuals for everyone: 1960-2025
Home >> Nissan-Datsun >> 2005 >> Sentra SE-R >> Repair and Diagnosis >> External Pages >> Different car >> Section 39 (Audio, Visual, Navigation & Telephone System) >> Audio >> Schematic >> Mid System
April 5, 2026: LEMON Manuals is launched! Read the announcement.

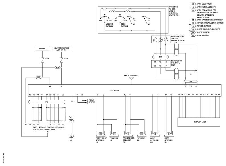
Mid System

WARNING: This page is about a different car, the 2007 Nissan Sentra. However, it is still accessible from the selected car via links, so may be relevant.
Fig 1: MID System - Schematic Diagram
G04928556