LEMON Manuals: Even more car manuals for everyone: 1960-2025
Home >> Nissan-Datsun >> 2005 >> X-Trail LE >> Repair and Diagnosis >> Engine Performance >> System >> Engine Control System - Component Testing >> Fuel Pump Circuit >> Diagnostic Procedure
April 5, 2026: LEMON Manuals is launched! Read the announcement.

Diagnostic Procedure

  1. CHECK OVERALL FUNCTION 
    1. Turn ignition switch ON.
    2. Pinch fuel feed hose with two fingers.

    Fuel pressure pulsation should be felt on the fuel hose for 1 second after ignition switch is turned ON. 

    Fig 1: Pinching Fuel Feed Hose
    G06152991Courtesy of NISSAN MOTOR CO., U.S.A.

    OK or NG 

    OK: INSPECTION END 

    NG: GO TO 2.

  2. CHECK FUEL PUMP RELAY POWER SUPPLY CIRCUIT 
    1. Turn ignition switch OFF.
    2. Disconnect fuel pump relay.
    3. Turn ignition switch ON.
      Fig 2: Identifying Fuel Pump Relay Location
      G06152992Courtesy of NISSAN MOTOR CO., U.S.A.
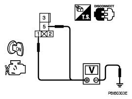
    4. Check voltage between fuel pump relay terminals 1, 5 and ground with CONSULT-II or tester.

      Voltage: Battery voltage 

    Fig 3: Checking Voltage Between Fuel Pump Relay Terminals 1, 5 And Ground
    G06152993Courtesy of NISSAN MOTOR CO., U.S.A.

    OK or NG 

    OK: GO TO  4.

    NG: GO TO 3.

  3. DETECT MALFUNCTIONING PART 

    Check the following.

    • Harness connectors M17, B1
    • Fuse block (J/B) connector M1
    • 15A fuse
    • Harness for open or short between fuel pump relay and fuse

      Repair open circuit or short to ground or short to power in harness or connectors.

  4. CHECK CONDENSER CIRCUIT FOR OPEN AND SHORT 
    1. Turn ignition switch OFF.
    2. Disconnect condenser harness connector.
    3. Check harness continuity between the following;

      fuel pump relay terminal 3 and condenser terminal 1,

      condenser terminal 2 and ground.

      Refer to WIRING DIAGRAM .

      Continuity should exist. 

    4. Also check harness for short to ground and short to power.

    OK or NG 

    OK: GO TO  6.

    NG: GO TO 5.

  5. DETECT MALFUNCTIONING PART 

    Check the following.

    • Harness for open or short between fuel pump relay and condenser
    • Harness for open or short between condenser and ground

      Repair open circuit or short to ground or short to power in harness connectors.

  6. CHECK CONDENSER 

    Refer to "COMPONENT INSPECTION ".

    OK or NG 

    OK: GO TO 7.

    NG: Replace condenser.

  7. CHECK FUEL PUMP POWER SUPPLY AND GROUND CIRCUIT FOR OPEN AND SHORT 
    1. Disconnect "fuel level sensor unit and fuel pump" harness connector.
    2. Check harness continuity between the following;

      fuel pump relay terminal 3 and "fuel level sensor unit and fuel pump" terminal 5,

      "fuel level sensor unit and fuel pump" terminal 3 and ground.

      Refer to WIRING DIAGRAM .

      Continuity should exist. 

      Fig 4: Identifying Fuel Level Sensor Unit And Fuel Pump Harness Connector
      G06152994Courtesy of NISSAN MOTOR CO., U.S.A.
    3. Also check harness for short to ground and short to power.

    OK or NG 

    OK: GO TO  9.

    NG: GO TO 8.

  8. DETECT MALFUNCTIONING PART 

    Check the following.

    • Harness for open or short between fuel pump relay and "fuel level sensor unit and fuel pump"
    • Harness for open or short between "fuel level sensor unit and fuel pump" and ground

      Repair open circuit or short to ground or short to power in harness connectors.

  9. CHECK FUEL PUMP RELAY OUTPUT SIGNAL CIRCUIT FOR OPEN AND SHORT 
    1. Disconnect ECM harness connector.
    2. Check harness continuity between fuel pump relay terminal 2 and ECM terminal 114.

      Refer to WIRING DIAGRAM .

      Continuity should exist. 

    3. Also check harness for short to ground and short to power.

    OK or NG 

    OK: GO TO  11.

    NG: GO TO 10.

  10. DETECT MALFUNCTIONING PART 

    Check the following.

    • Harness connectors B1, M17
    • Harness for open or short between fuel pump relay and ECM

      Repair open circuit or short to ground or short to power in harness or connectors.

  11. CHECK FUEL PUMP RELAY 

    Refer to "COMPONENT INSPECTION ".

    OK or NG 

    OK: GO TO 12.

    NG: Replace fuel pump relay.

  12. CHECK FUEL PUMP 

    Refer to "COMPONENT INSPECTION ".

    OK or NG 

    OK: GO TO 13.

    NG: Replace fuel pump.

  13. CHECK INTERMITTENT INCIDENT 

    Refer to "TROUBLE DIAGNOSIS FOR INTERMITTENT INCIDENT ".

    INSPECTION END