LEMON Manuals: Even more car manuals for everyone: 1960-2025
Home >> Nissan-Datsun >> 2005 >> X-Trail LE >> Repair and Diagnosis >> Engine Performance >> System >> Engine Control System - Component Testing >> Ignition Signal >> Wiring Diagram
April 5, 2026: LEMON Manuals is launched! Read the announcement.

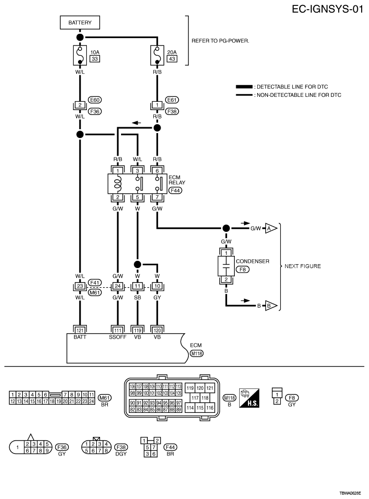
Ignition Signal: Wiring Diagram

For PG-POWER, refer to POWER SUPPLY, GROUND & CIRCUIT ELEMENTS .

Fig 1: Wiring Diagram - EC-IGNSYS-01
G06152943Courtesy of NISSAN MOTOR CO., U.S.A.

Specification data are reference values and are measured between each terminal and ground.

CAUTION: Do not use ECM ground terminals when measuring input/output voltage. Doing so may result in damage to the ECM's transistor. Use a ground other than ECM terminals, such as the ground.
ITEM CONDITION CHART

TERMINAL NO. WIRE COLOR ITEM CONDITION DATA (DC Voltage)
111 G/W ECM relay (Self shut-off) [Engine is running] 
[Ignition switch: OFF] 
  • A few seconds after turning ignition switch OFF
0 - 1.0V
[Ignition switch: OFF] 
  • More than a few seconds after turning ignition switch OFF
BATTERY VOLTAGE (11 - 14V)
119
120
SB
GY
Power supply for ECM [Ignition switch: ON]  BATTERY VOLTAGE (11 - 14V)
121 W/L Power supply for ECM (Back-up) [Ignition switch: OFF]  BATTERY VOLTAGE (11 - 14V)
Fig 2: Wiring Diagram - EC-IGNSYS-02
G06152944Courtesy of NISSAN MOTOR CO., U.S.A.

Specification data are reference values and are measured between each terminal and ground.

Pulse signal is measured by CONSULT-II.

CAUTION: Do not use ECM ground terminals when measuring input/output voltage. Doing so may result in damage to the ECM's transistor. Use a ground other than ECM terminals, such as the ground.
ITEM CONDITION CHART

TERMINAL NO. WIRE COLOR ITEM CONDITION DATA (DC Voltage)
61
62
80
81
L/R
BR
GY/R
PU
Ignition signal No. 3
Ignition signal No. 1
Ignition signal No. 4
Ignition signal No. 2
[Engine is running] 
  • Warm-up condition 
  • Idle speed
NOTE: The pulse cycle changes depending on rpm at idle.
0 - 0.1V(1)
G06152324Courtesy of NISSAN MOTOR CO., U.S.A.
[Engine is running] 
  • Warm-up condition 
  • Engine speed is 2, 000 rpm.
0 - 0.2V(1)
G06152946Courtesy of NISSAN MOTOR CO., U.S.A.
(1) Average voltage for pulse signal (Actual pulse signal can be confirmed by oscilloscope.)