LEMON Manuals: Even more car manuals for everyone: 1960-2025
Home >> Nissan-Datsun >> 2005 >> X-Trail LE >> Repair and Diagnosis >> Engine Performance >> System >> Engine Control System - Component Testing >> Mil And Data Link Connector >> Wiring Diagram >> AWD
April 5, 2026: LEMON Manuals is launched! Read the announcement.

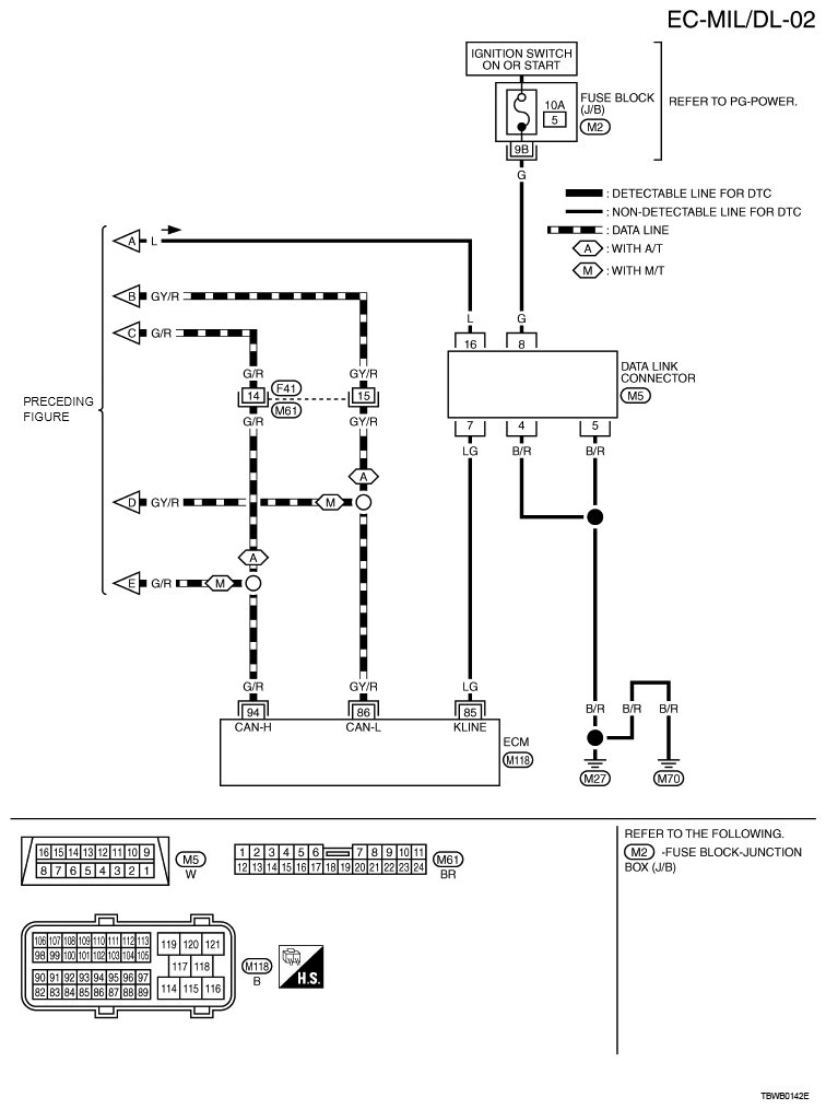
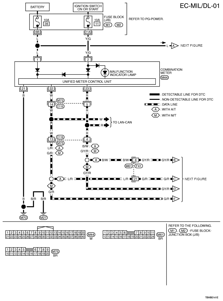
Mil And Data Link Connector: Wiring Diagram: AWD

Fig 1: EC-MIL/DL-01 - Wiring Diagram (AWD)
G06153046Courtesy of NISSAN MOTOR CO., U.S.A.
Fig 2: EC-MIL/DL-02 - Wiring Diagram (AWD)
G06153047Courtesy of NISSAN MOTOR CO., U.S.A.