LEMON Manuals: Even more car manuals for everyone: 1960-2025
Home >> Nissan-Datsun >> 2005 >> X-Trail LE >> Repair and Diagnosis >> Engine Performance >> System >> Engine Control System - Component Testing >> VIAS >> Wiring Diagram
April 5, 2026: LEMON Manuals is launched! Read the announcement.

Engine Control System - Component Testing: VIAS: Wiring Diagram

For PG-POWER, refer to POWER SUPPLY, GROUND & CIRCUIT ELEMENTS .

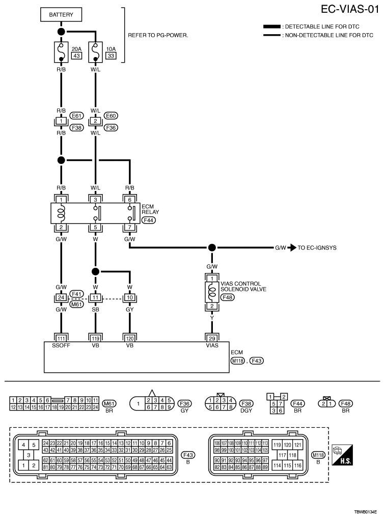
Fig 1: Wiring Diagram - EC-VIAS-01
G06152965Courtesy of NISSAN MOTOR CO., U.S.A.

Specification data are reference values and are measured between each terminal and body ground.

CAUTION: Do not use ECM ground terminals when measuring input/output voltage. Doing so may result in damage to the ECM's transistor. Use a ground other than ECM terminals, such as the ground.
ITEM CONDITION CHART

TERMINAL NO. WIRE COLOR ITEM CONDITION DATA (DC Voltage)
29 Y VIAS control solenoid valve [Engine is running] 
  • Idle speed
BATTERY VOLTAGE (11 - 14V)
[Engine is running] 
  • Engine speed is above 5, 000 rpm
0 - 1.0V