LEMON Manuals: Even more car manuals for everyone: 1960-2025
Home >> Nissan-Datsun >> 2006 >> Altima SE-R, Standard >> Repair and Diagnosis >> External Pages >> Different car >> Section 173 (Body, Lock & Security System) >> Remote Keyless Entry System >> Schematic
April 5, 2026: LEMON Manuals is launched! Read the announcement.

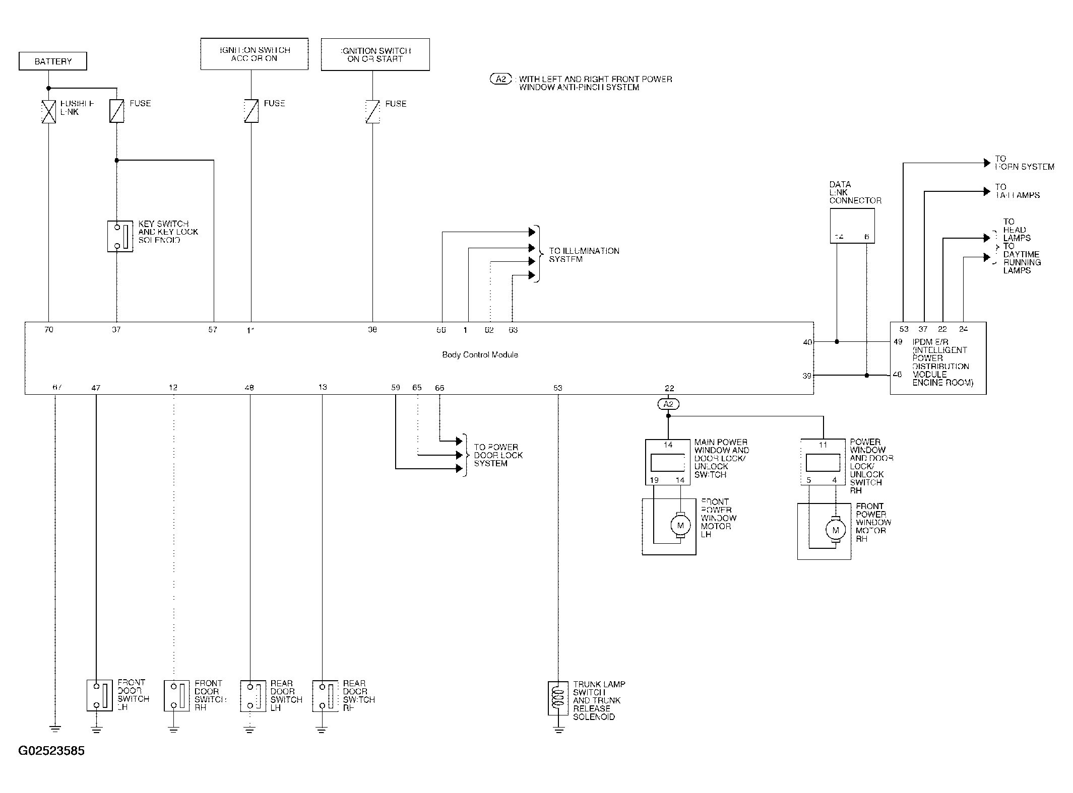
Remote Keyless Entry System: Schematic

WARNING: This page is about a different car, the 2005 Nissan Altima. However, it is still accessible from the selected car via links, so may be relevant.
Fig 1: Remote Keyless Entry System Schematic
G02523585Courtesy of NISSAN MOTOR CO., U.S.A.