LEMON Manuals: Even more car manuals for everyone: 1960-2025
Home >> Nissan-Datsun >> 2006 >> Armada LE, 4WD >> Repair and Diagnosis >> Engine Performance >> System >> Engine Control System - Introduction >> Trouble Diagnosis >> Vacuum Hose Drawing
April 5, 2026: LEMON Manuals is launched! Read the announcement.

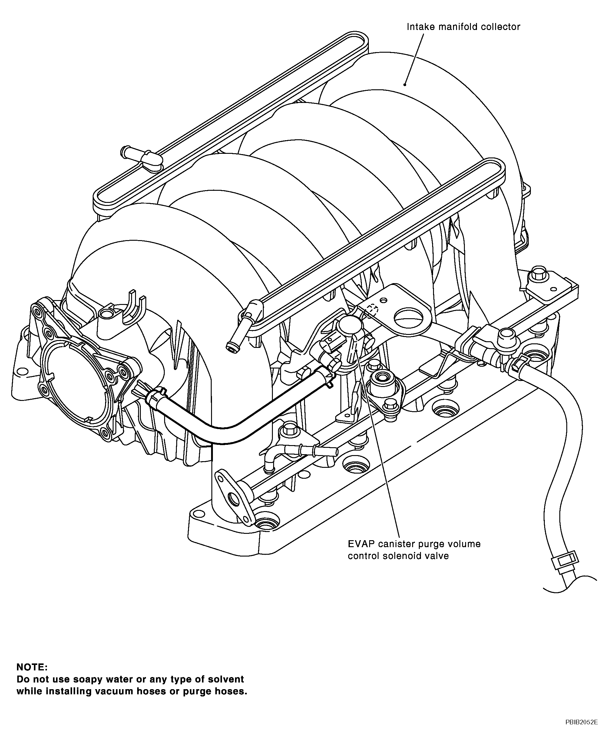
Vacuum Hose Drawing

Fig 1: Vacuum Hose Drawing
G04209567Courtesy of NISSAN MOTOR CO., U.S.A.

Refer to " SYSTEM DIAGRAM  ". for Vacuum Control System  .