LEMON Manuals: Even more car manuals for everyone: 1960-2025
Home >> Nissan-Datsun >> 2006 >> Armada LE, RWD >> Repair and Diagnosis >> Engine Performance >> System >> Engine Control System - Component Testing >> Fuel Injector >> Wiring Diagram
April 5, 2026: LEMON Manuals is launched! Read the announcement.

Fuel Injector: Wiring Diagram

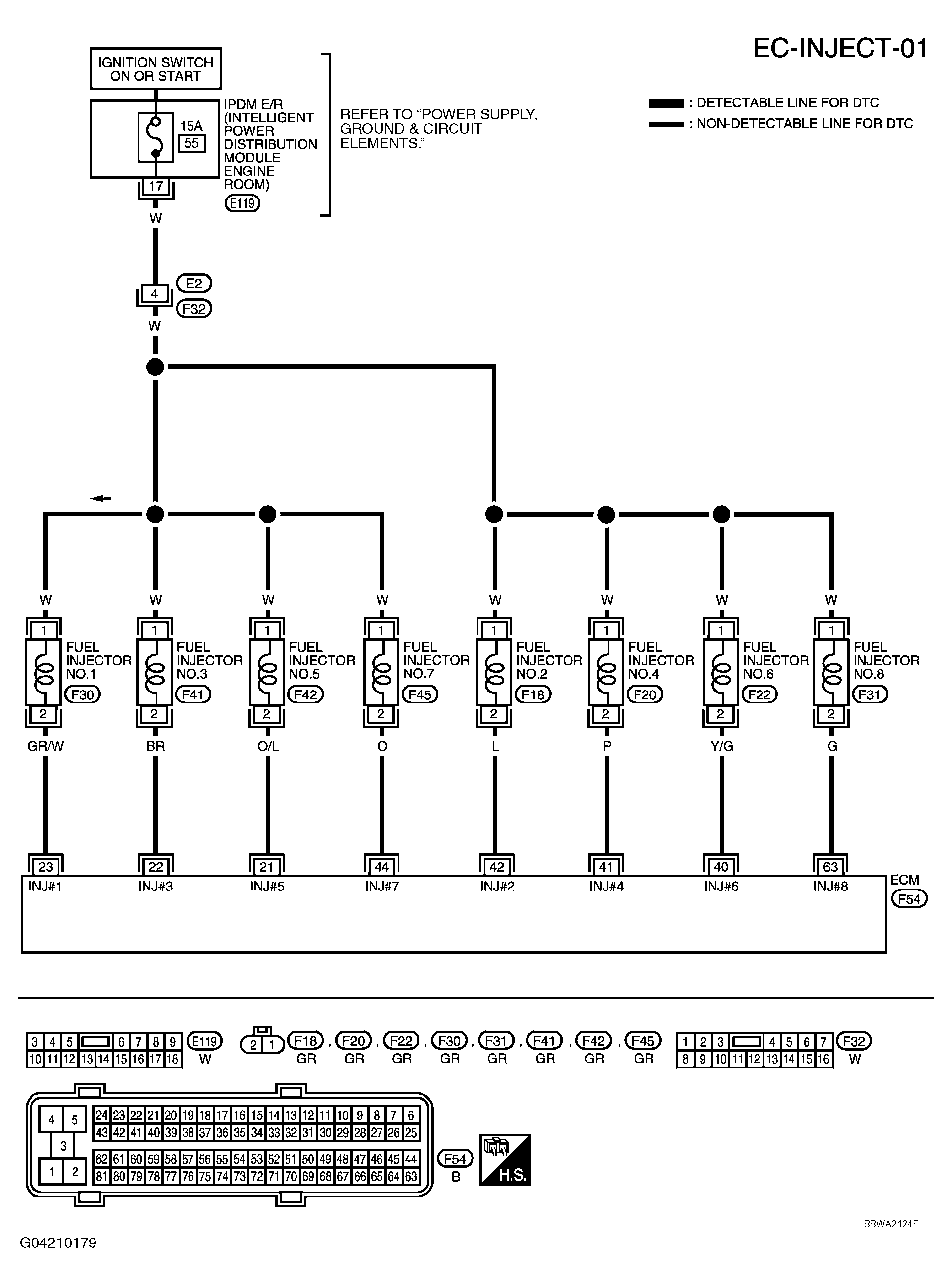
Fig 1: EC-INJECT-01 - Wiring Diagram
G04210179Courtesy of NISSAN MOTOR CO., U.S.A.

Specification data are reference values and are measured between each terminal and ground.

Pulse signal is measured by CONSULT-II.

CAUTION: Do not use ECM ground terminals when measuring input/output voltage. Doing so may result in damage to the ECM's transistor. Use a ground other than ECM terminals, such as the ground.
TERMINALS VOLTAGE SPECIFICATION

TERMINAL NO. WIRE COLOR ITEM CONDITION DATA (DC Voltage)
21
22
23
40
41
42
44
63
O/L
BR
GR/W
Y/G
P
L
O
G
Fuel injector No. 5
Fuel injector No. 3
Fuel injector No. 1
Fuel injector No. 6
Fuel injector No. 4
Fuel injector No. 2
Fuel injector No. 7
Fuel injector No. 8
[Engine is running] 
  • Warm-up condition 
  • Idle speed
NOTE: The pulse cycle changes depending on RPM at idle.
BATTERY VOLTAGE (11 - 14V)(1)
G04210180Courtesy of NISSAN MOTOR CO., U.S.A.
[Engine is running] 
  • Warm-up condition 
  • Engine speed: 2, 000 RPM
BATTERY VOLTAGE (11 - 14V) (1)
G04210181Courtesy of NISSAN MOTOR CO., U.S.A.
(1) Average voltage for pulse signal (Actual pulse signal can be confirmed by oscilloscope.)