LEMON Manuals: Even more car manuals for everyone: 1960-2025
Home >> Nissan-Datsun >> 2006 >> Armada LE, RWD >> Repair and Diagnosis >> Engine Performance >> System >> Engine Control System - Component Testing >> Mil And Data Link Connector >> Wiring Diagram
April 5, 2026: LEMON Manuals is launched! Read the announcement.

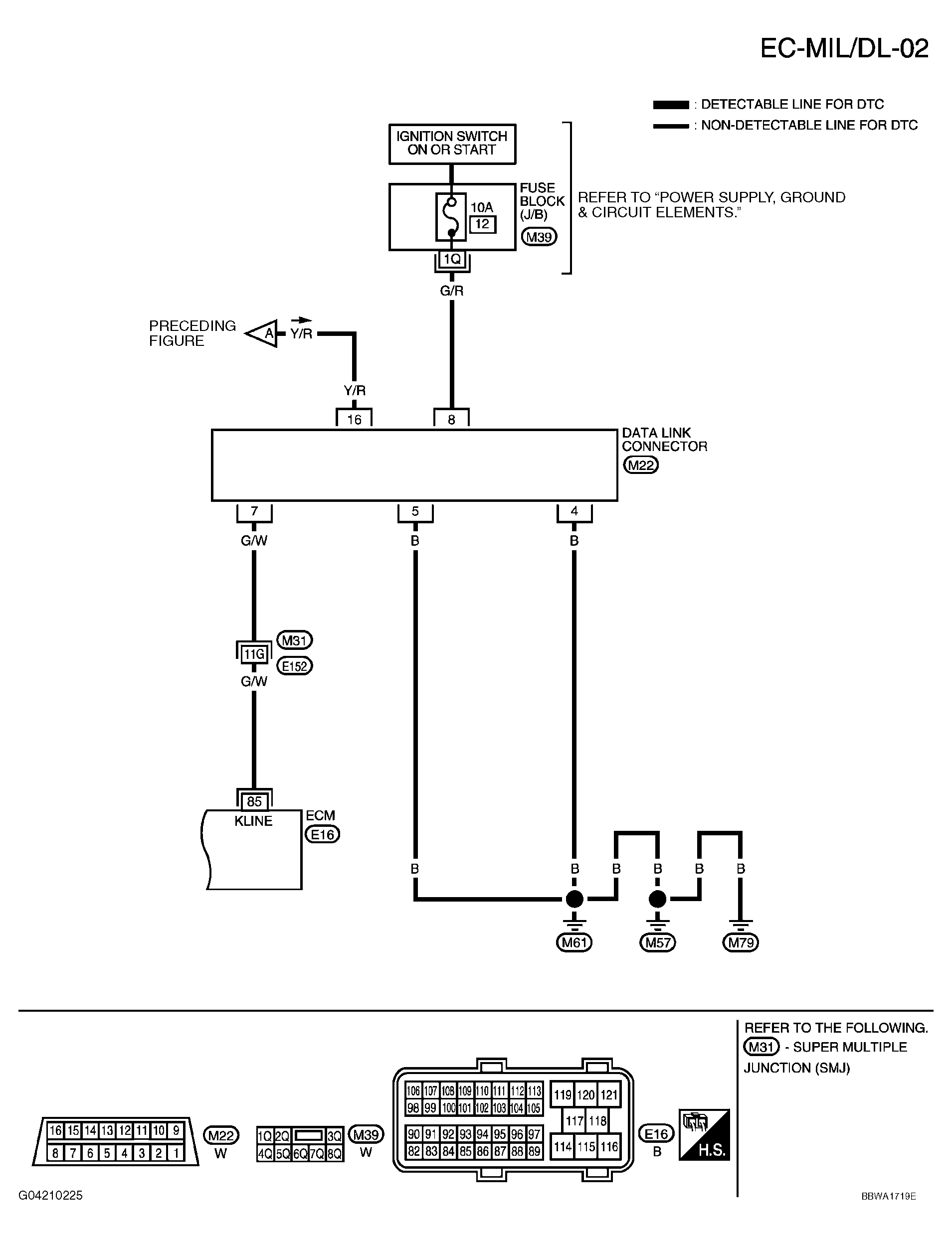
Mil And Data Link Connector: Wiring Diagram

Fig 1: EC-MILDL-01 - Wiring Diagram (1 Of 2)
G04210224Courtesy of NISSAN MOTOR CO., U.S.A.
Fig 2: EC-MILDL-02 - Wiring Diagram (2 Of 2)
G04210225Courtesy of NISSAN MOTOR CO., U.S.A.