LEMON Manuals: Even more car manuals for everyone: 1960-2025
Home >> Nissan-Datsun >> 2006 >> Frontier XE, Standard >> Repair and Diagnosis >> Engine Performance >> System >> Engine Control System - Component Testing (Qr) >> ASCD Brake Switch >> Wiring Diagram
April 5, 2026: LEMON Manuals is launched! Read the announcement.

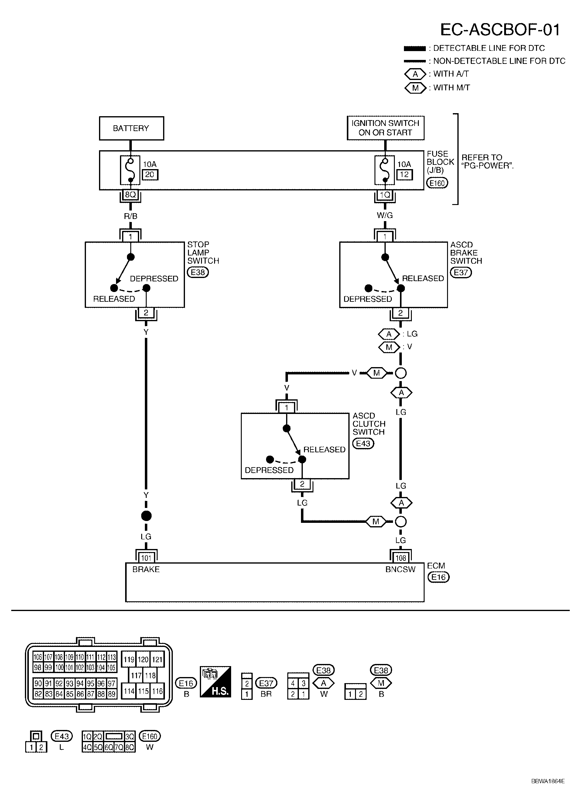
ASCD Brake Switch: Wiring Diagram

For PG, go to SYSTEM WIRING DIAGRAMS .

Fig 1: EC-ASCBOF-01 - Wiring Diagram
G04147729Courtesy of NISSAN MOTOR CO., U.S.A.

Specification data are reference values and are measured between each terminal and ground.

CAUTION: Do not use ECM ground terminals when measuring input/output voltage. Doing so may result in damage to the ECM's transistor. Use a ground other than ECM terminals, such as the ground.
CONNECTOR TERMINAL VOLTAGE REFERENCE

TERMINAL NO. WIRE COLOR ITEM CONDITION DATA (DC Voltage)
101 LG Stop lamp switch [Ignition switch: OFF] 
  • Brake pedal: Fully released
Approximately 0V
[Ignition switch: OFF] 
  • Brake pedal: Slightly depressed
BATTERY VOLTAGE (11 - 14V)
108 LG ASCD brake switch [Ignition switch: ON] 
  • Brake pedal: Slightly depressed (A/T)
  • Clutch pedal and/or brake pedal: Slightly depressed (M/T)
Approximately 0V
[Ignition switch: ON] 
  • Brake pedal: Fully released (A/T)
  • Clutch pedal and brake pedal: Fully released (M/T)
BATTERY VOLTAGE (11 - 14V)