LEMON Manuals: Even more car manuals for everyone: 1960-2025
Home >> Nissan-Datsun >> 2006 >> Murano SE >> Repair and Diagnosis >> Engine Performance >> System >> Engine Control System - Introduction >> Trouble Diagnosis >> Circuit Diagram
April 5, 2026: LEMON Manuals is launched! Read the announcement.

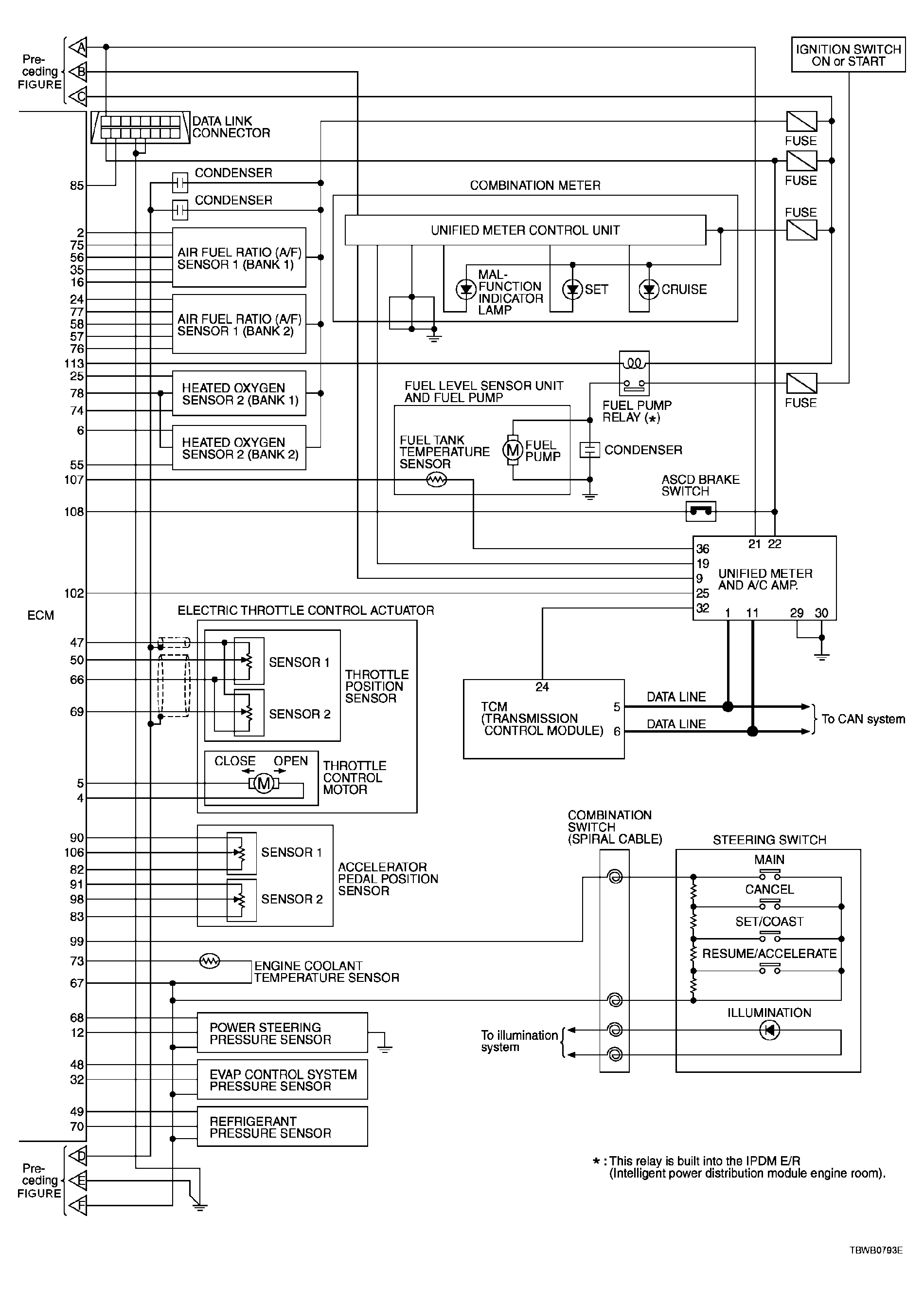
Circuit Diagram

Fig 1: Circuit Diagram (1 Of 2)
G04215855Courtesy of NISSAN MOTOR CO., U.S.A.
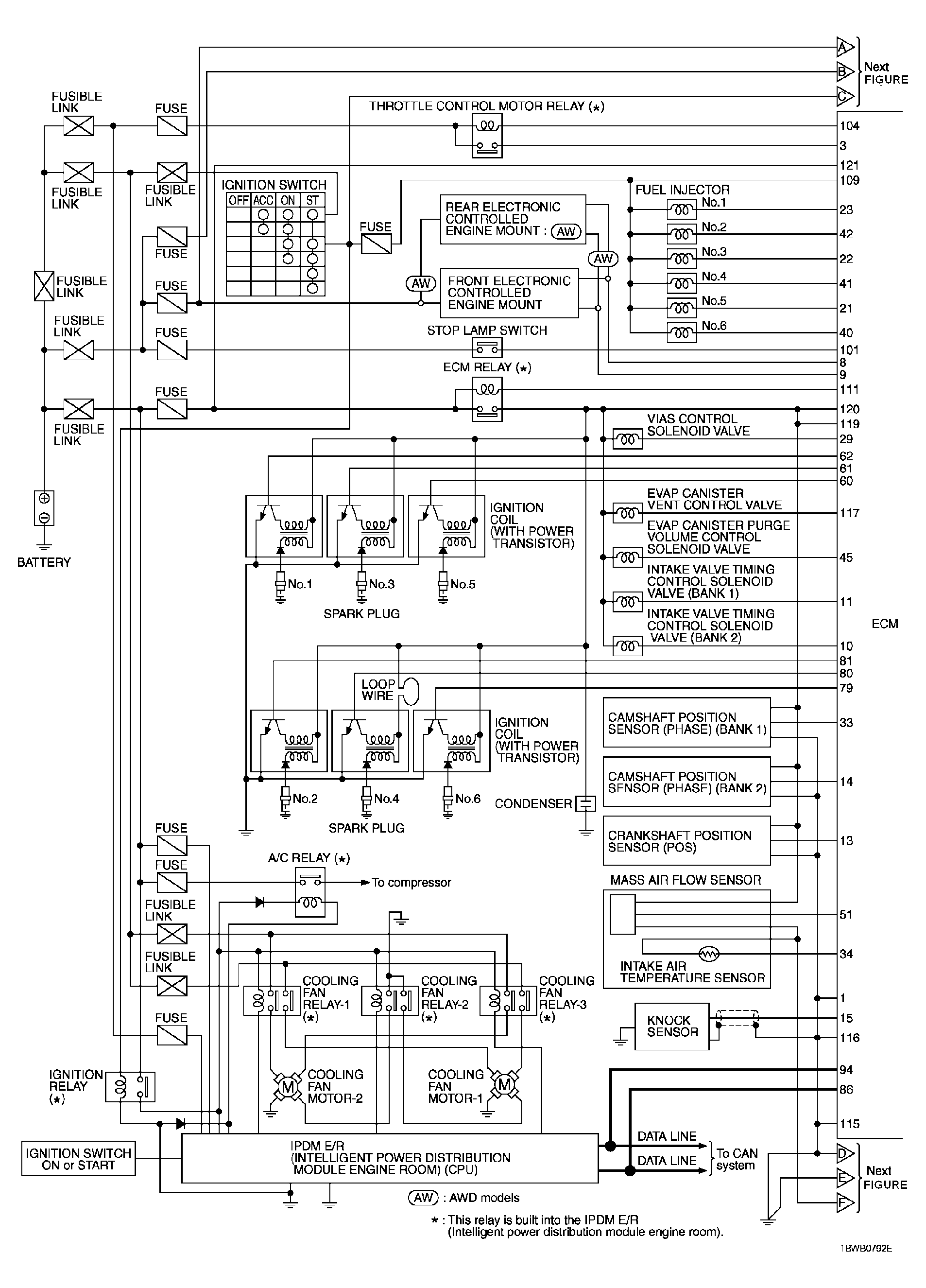
Fig 2: Circuit Diagram (2 Of 2)
G04215856Courtesy of NISSAN MOTOR CO., U.S.A.