LEMON Manuals: Even more car manuals for everyone: 1960-2025
Home >> Nissan-Datsun >> 2006 >> Murano SL, AWD >> Repair and Diagnosis >> Engine Performance >> System >> Engine Control System - Component Testing >> ASCD Indicator >> Wiring Diagram
April 5, 2026: LEMON Manuals is launched! Read the announcement.

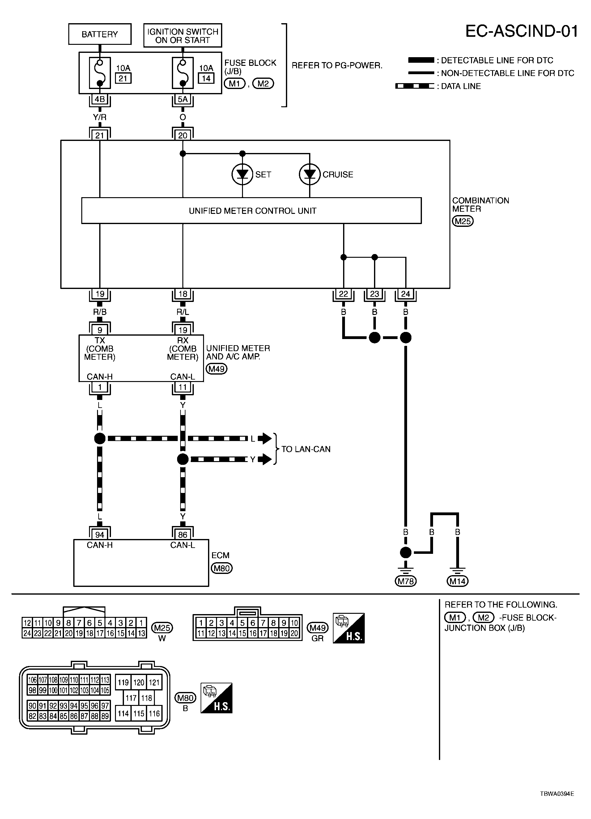
ASCD Indicator: Wiring Diagram

NOTE: For PG go to SYSTEM WIRING DIAGRAMS .
Fig 1: EC-ASCIND-01 - Wiring Diagram
G04216504Courtesy of NISSAN MOTOR CO., U.S.A.