LEMON Manuals: Even more car manuals for everyone: 1960-2025
Home >> Nissan-Datsun >> 2006 >> Sentra Base, Standard >> Repair and Diagnosis >> Brakes >> Traction Control >> Brake Control System >> Description >> Schematic
April 5, 2026: LEMON Manuals is launched! Read the announcement.

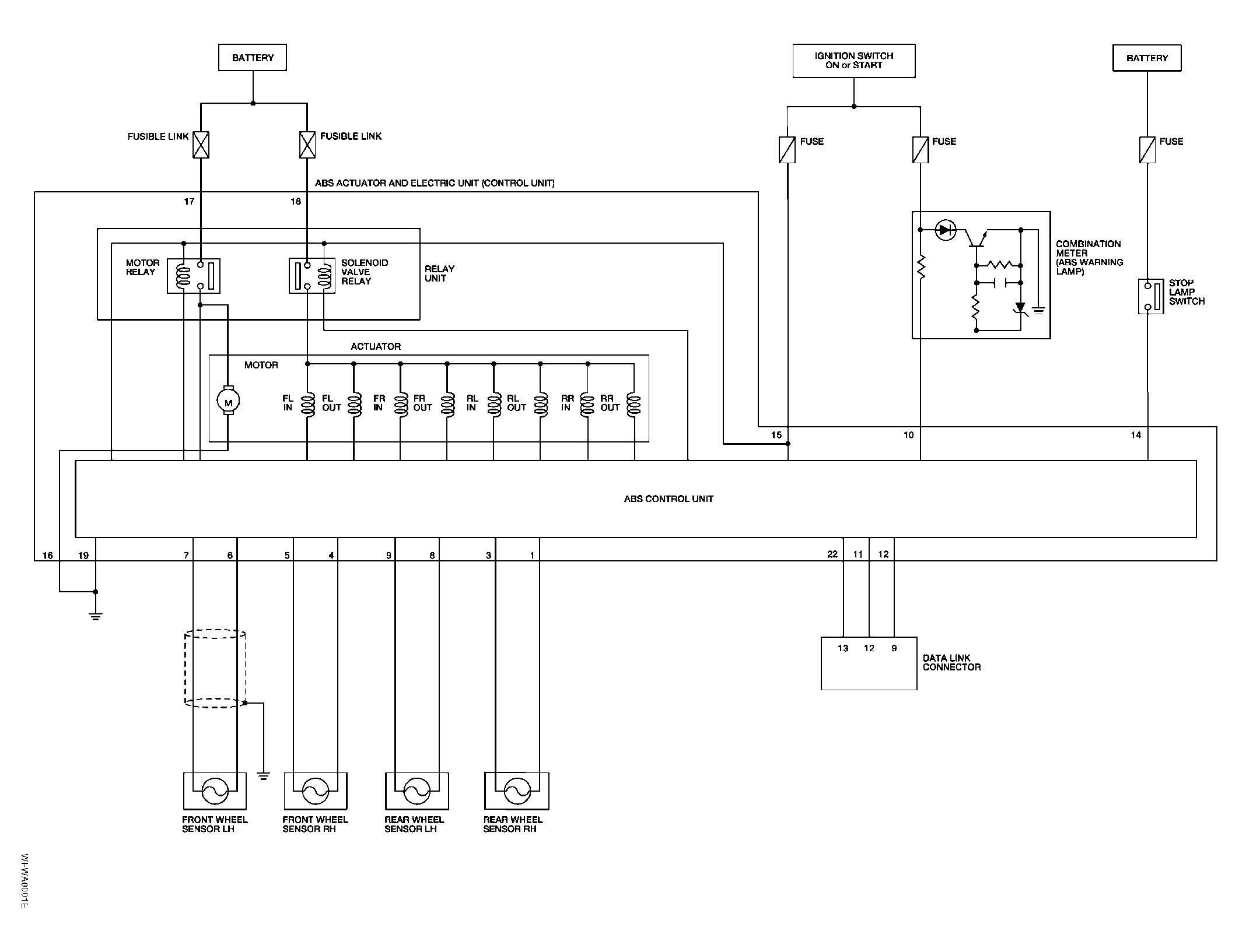
Brake Control System: Description: Schematic

Fig 1: Brake Control System Schematic Diagram
G04194675Courtesy of NISSAN MOTOR CO., U.S.A.