LEMON Manuals: Even more car manuals for everyone: 1960-2025
Home >> Nissan-Datsun >> 2006 >> Sentra SE-R Spec V >> Repair and Diagnosis >> External Pages >> Different car >> Section 104 (Body, Lock & Security System) >> Service Information >> Intelligent Key System >> Wiring Diagram - Intelligent Key -
April 5, 2026: LEMON Manuals is launched! Read the announcement.

Wiring Diagram - Intelligent Key -

WARNING: This page is about a different car, the 2009 Nissan Sentra. However, it is still accessible from the selected car via links, so may be relevant.
NOTE: For references to PG-Power, see POWER SUPPLY, GROUND & CIRCUIT ELEMENTS .
Fig 1: BL-1/KEY-01 - Wiring Diagram
G04927625Courtesy of NISSAN MOTOR CO., U.S.A.
Fig 2: BL-1/KEY-02 - Wiring Diagram
G04927626Courtesy of NISSAN MOTOR CO., U.S.A.
Fig 3: BL-1/KEY-03 - Wiring Diagram
G04927627Courtesy of NISSAN MOTOR CO., U.S.A.
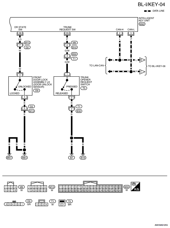
Fig 4: BL-1/KEY-04 - Wiring Diagram
G05924667Courtesy of NISSAN MOTOR CO., U.S.A.
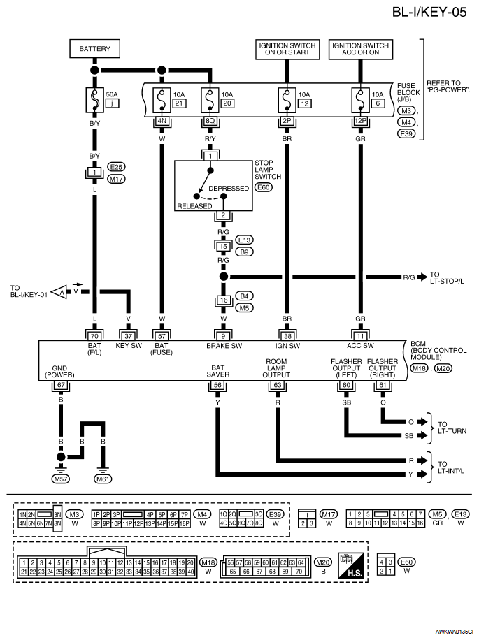
Fig 5: BL-1/KEY-05 - Wiring Diagram
G05924668Courtesy of NISSAN MOTOR CO., U.S.A.
Fig 6: BL-1/KEY-06 - Wiring Diagram
G05924669Courtesy of NISSAN MOTOR CO., U.S.A.
Fig 7: BL-1/KEY-07 - Wiring Diagram
G04927631Courtesy of NISSAN MOTOR CO., U.S.A.
Fig 8: BL-1/KEY-08 - Wiring Diagram
G04927632Courtesy of NISSAN MOTOR CO., U.S.A.