LEMON Manuals: Even more car manuals for everyone: 1960-2025
Home >> Nissan-Datsun >> 2006 >> Sentra SE-R Spec V >> Repair and Diagnosis >> External Pages >> Different car >> Section 104 (Body, Lock & Security System) >> Service Information >> Remote Keyless Entry System >> Wiring Diagram - KEYLES -
April 5, 2026: LEMON Manuals is launched! Read the announcement.

Wiring Diagram - KEYLES -

WARNING: This page is about a different car, the 2009 Nissan Sentra. However, it is still accessible from the selected car via links, so may be relevant.
NOTE: For references to PG-Power, see POWER SUPPLY, GROUND & CIRCUIT ELEMENTS .
Fig 1: BL-KEYLESS - 01 - Wiring Diagram
G04927589Courtesy of NISSAN MOTOR CO., U.S.A.
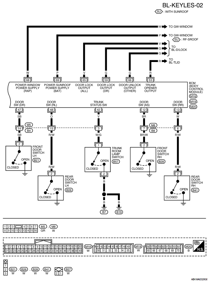
Fig 2: BL-KEYLESS - 02 - Wiring Diagram
G05924629Courtesy of NISSAN MOTOR CO., U.S.A.
Fig 3: BL-KEYLESS - 03 - Wiring Diagram
G04927591Courtesy of NISSAN MOTOR CO., U.S.A.