LEMON Manuals: Even more car manuals for everyone: 1960-2025
Home >> Nissan-Datsun >> 2006 >> Sentra SE-R Spec V >> Repair and Diagnosis >> External Pages >> Different car >> Section 104 (Body, Lock & Security System) >> Service Information >> Vehicle Security (Theft Warning) System >> Schematic
April 5, 2026: LEMON Manuals is launched! Read the announcement.

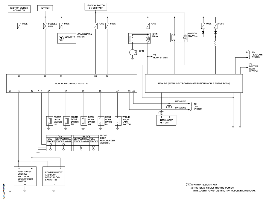
Vehicle Security (Theft Warning) System: Schematic

WARNING: This page is about a different car, the 2009 Nissan Sentra. However, it is still accessible from the selected car via links, so may be relevant.
Fig 1: Vehicle Security System Schematic Diagram
G05924797Courtesy of NISSAN MOTOR CO., U.S.A.