LEMON Manuals: Even more car manuals for everyone: 1960-2025
Home >> Nissan-Datsun >> 2006 >> Sentra SE-R Spec V >> Repair and Diagnosis >> External Pages >> Different car >> Section 20 (Body, Lock & Security System) >> Remote Keyless Entry System >> Wiring Diagram - KEYLES -
April 5, 2026: LEMON Manuals is launched! Read the announcement.

Wiring Diagram - KEYLES -

WARNING: This page is about a different car, the 2005 Nissan Sentra. However, it is still accessible from the selected car via links, so may be relevant.
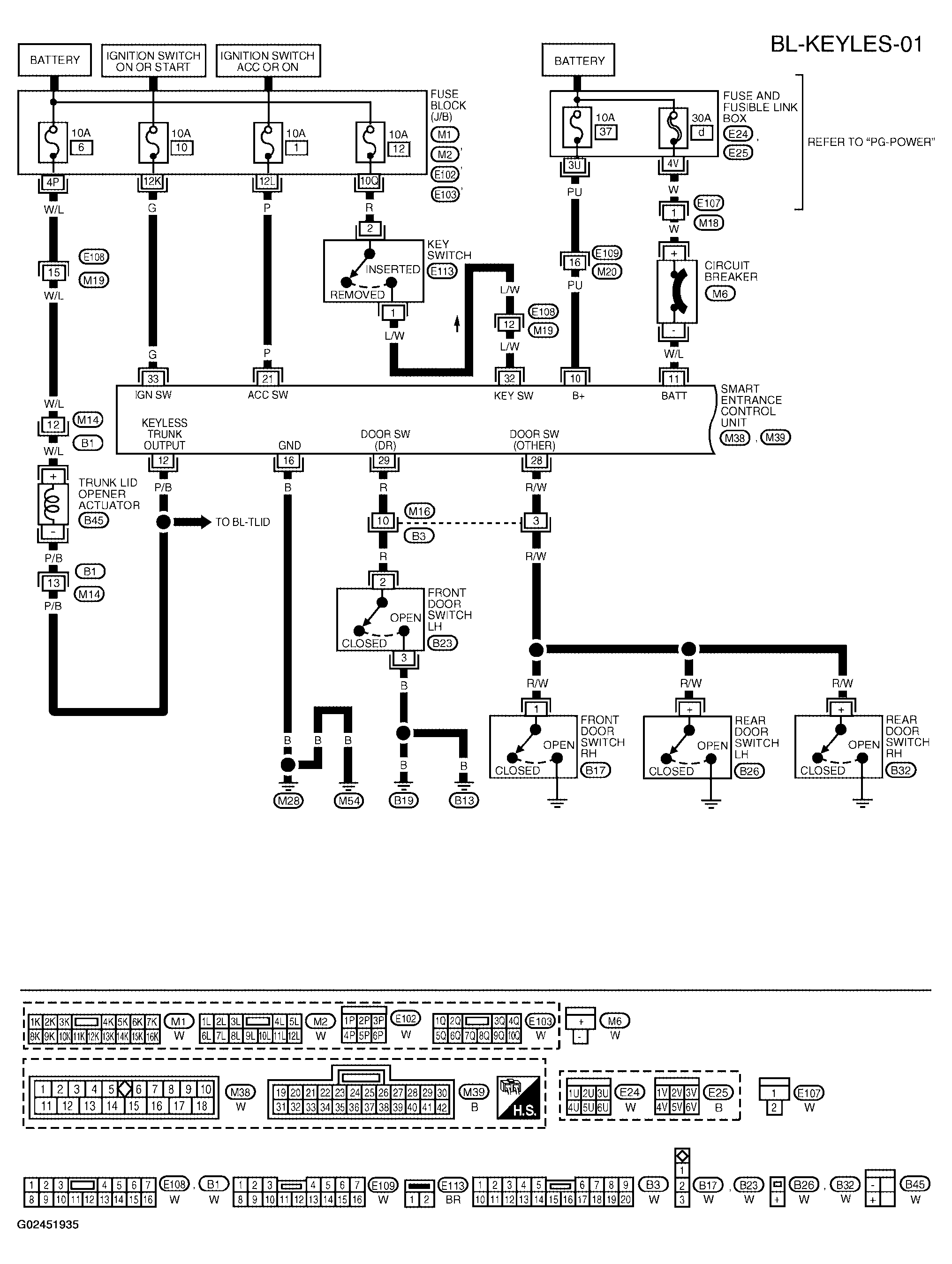
Fig 1: Wiring Diagram - BL-KEYLES-01
G02451935Courtesy of NISSAN MOTOR CO., U.S.A.
Fig 2: Smart Entrance Control Unit Terminals And Reference Value Chart
G02451936Courtesy of NISSAN MOTOR CO., U.S.A.
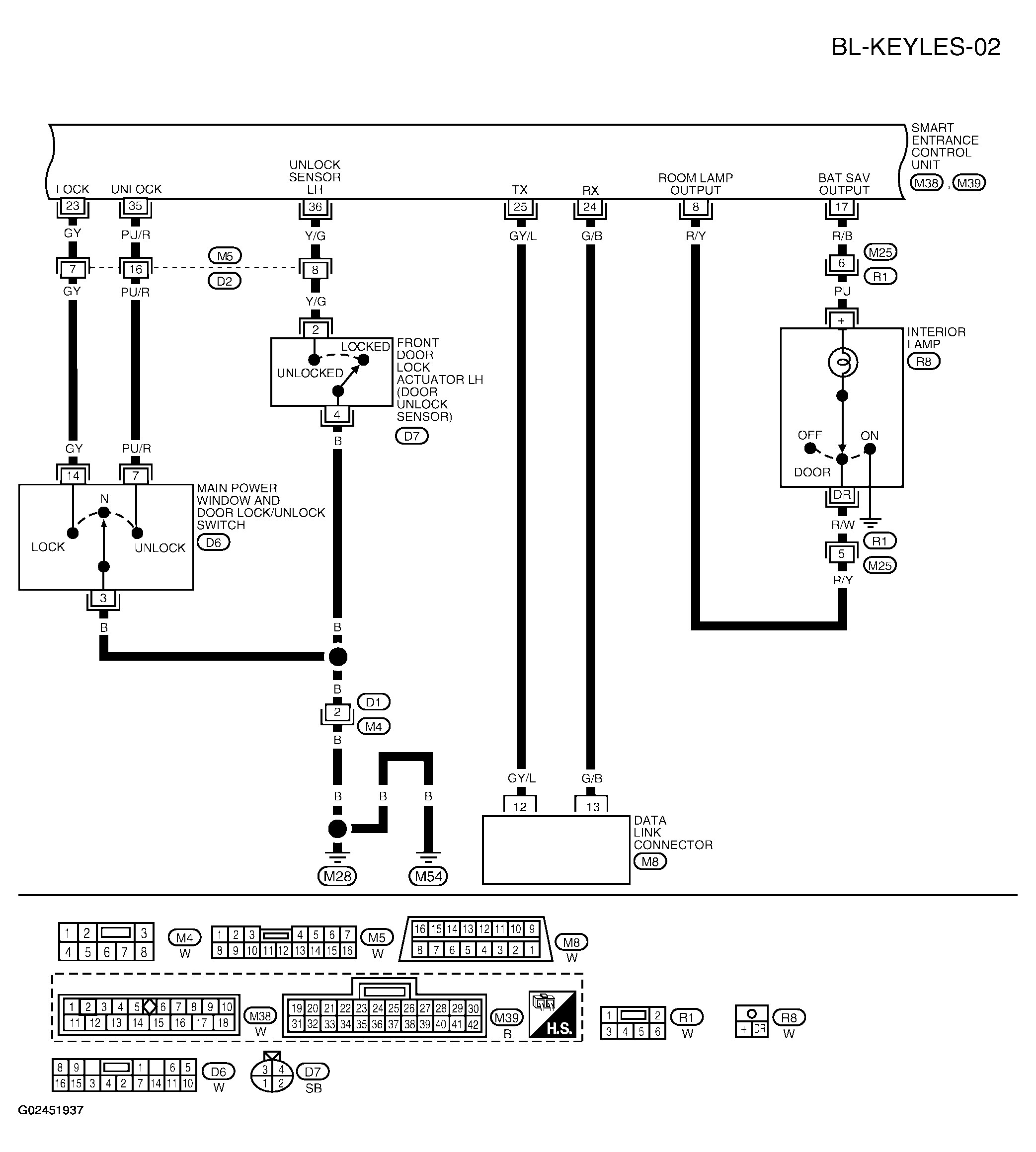
Fig 3: Wiring Diagram - BL-KEYLES-02
G02451937Courtesy of NISSAN MOTOR CO., U.S.A.
Fig 4: Smart Entrance Control Unit Terminals And Reference Value Chart
G02451938Courtesy of NISSAN MOTOR CO., U.S.A.
Fig 5: Wiring Diagram - BL-KEYLES-03
G02451939Courtesy of NISSAN MOTOR CO., U.S.A.
Fig 6: Smart Entrance Control Unit Terminals And Reference Value Chart
G02451940Courtesy of NISSAN MOTOR CO., U.S.A.