LEMON Manuals: Even more car manuals for everyone: 1960-2025
Home >> Nissan-Datsun >> 2006 >> Sentra SE-R >> Repair and Diagnosis >> Engine Performance >> System >> Engine Control System - DTCS P0137 To P0445 (Qr25DE) >> DTC P0171 Fuel Injection System Function >> Wiring Diagram
April 5, 2026: LEMON Manuals is launched! Read the announcement.

DTC P0171 Fuel Injection System Function: Wiring Diagram

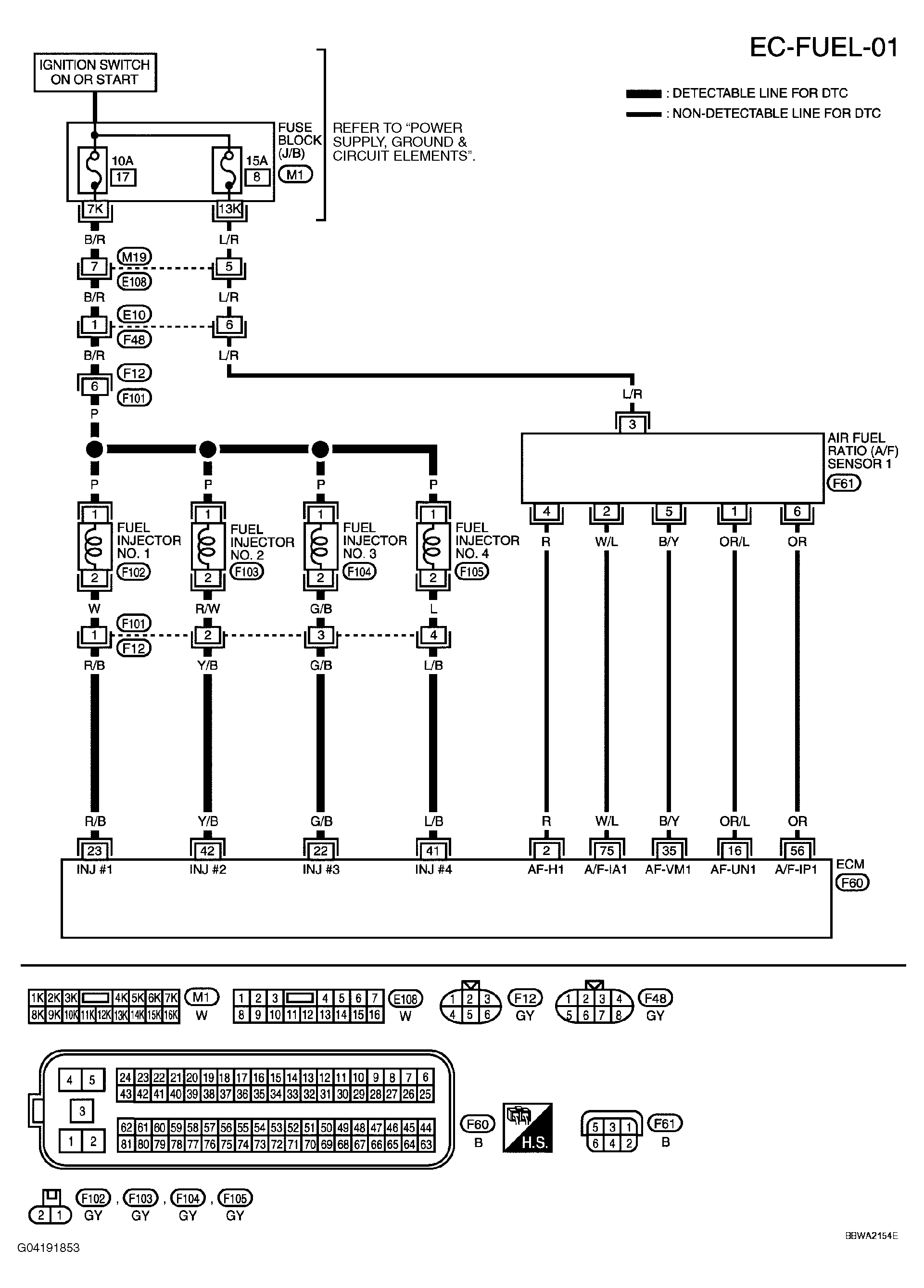
Fig 1: Identifying Wiring Diagram (EC-FUEL-01)
G04191853Courtesy of NISSAN MOTOR CO., U.S.A.

Specification data are reference values and are measured between each terminal and ground. Pulse signal is measured by CONSULT-II.

CAUTION: Do not use ECM ground terminals when measuring input/output voltage. Doing so may result in damage to the ECM's transistor. Use a ground other than ECM terminals, such as the ground.
WIRE COLOR AND TERMINAL NO. DESCRIPTION

TERMINAL NO. WIRE COLOR ITEM CONDITION DATA (DC Voltage)
2 R A/F sensor 1 heater [Engine is running] 
  • Warm-up condition 
  • Idle speed
Approximately 5V(1)
G04080403Courtesy of NISSAN MOTOR CO., U.S.A.
16 OR/L A/F sensor 1 [Engine is running] 
  • Warm-up condition 
  • Idle speed
Approximately 3.1V
35 B/Y Approximately 2.6V
56 OR 2 - 3V
75 W/L 2 - 3V
22
23
41
42
G/B
R/B
L/B
Y/B
Fuel injector No. 3
Fuel injector No. 1
Fuel injector No. 4
Fuel injector No. 2
[Engine is running] 
  • Warm-up condition 
  • Idle speed
BATTERY VOLTAGE (11 - 14V)(1)
G04147117Courtesy of NISSAN MOTOR CO., U.S.A.
[Engine is running] 
  • Warm-up condition 
  • Engine speed: 2, 000 rpm
BATTERY VOLTAGE (11 - 14V)(1)
G04147118Courtesy of NISSAN MOTOR CO., U.S.A.
(1) Average voltage for pulse signal (Actual pulse signal can be confirmed by oscilloscope.)