LEMON Manuals: Even more car manuals for everyone: 1960-2025
Home >> Nissan-Datsun >> 2006 >> X-Trail LE >> Repair and Diagnosis >> Engine Performance >> System >> Engine Control System - Introduction >> Trouble Diagnosis >> Circuit Diagram
April 5, 2026: LEMON Manuals is launched! Read the announcement.

Circuit Diagram

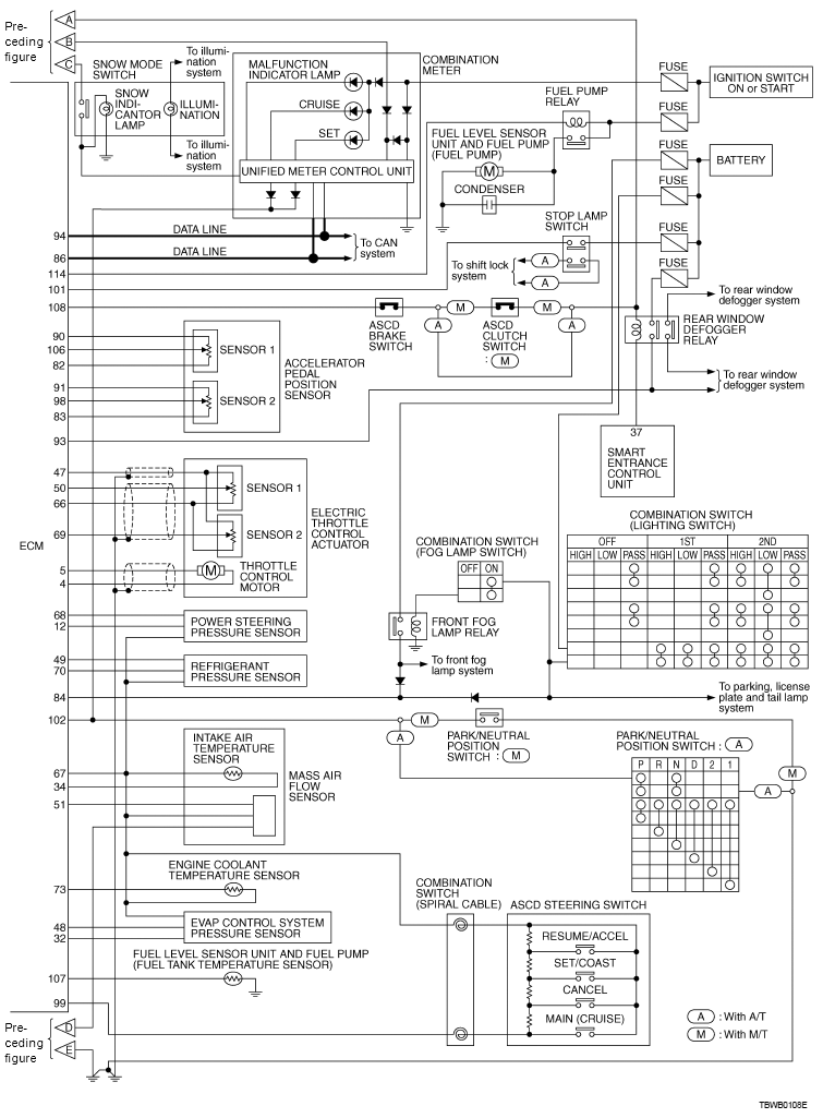
Fig 1: Data Link Connector And Fuse - Circuit Diagram (1 Of 2)
G06152307Courtesy of NISSAN MOTOR CO., U.S.A.
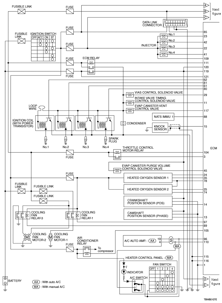
Fig 2: Data Link Connector And Fuse - Circuit Diagram (2 Of 2)
G06152308Courtesy of NISSAN MOTOR CO., U.S.A.