LEMON Manuals: Even more car manuals for everyone: 1960-2025
Home >> Nissan-Datsun >> 2007 >> Altima Base >> Repair and Diagnosis (Single Page) >> Brakes >> Traction Control >> Brake Control System (Except Hybrid) >> TCS/Abs >> On-Vehicle Repair >> Abs Actuator And Electric Unit (Control Unit) >> Exploded View >> Component
April 5, 2026: LEMON Manuals is launched! Read the announcement.

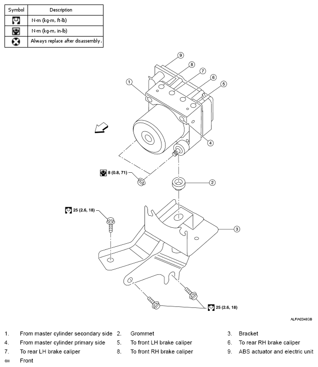
Exploded View: Component

Fig 1: ABS Actuator And Electric Unit (Control Unit) Replacement Components With Torque Specifications
G04887250

Refer to GI section "COMPONENTS " for symbol marks in the figure.