LEMON Manuals: Even more car manuals for everyone: 1960-2025
Home >> Nissan-Datsun >> 2007 >> Murano SL, AWD >> Repair and Diagnosis >> Engine Performance >> System >> Engine Control System - Component Testing >> Electronic Controlled Engine Mount >> Wiring Diagram
April 5, 2026: LEMON Manuals is launched! Read the announcement.

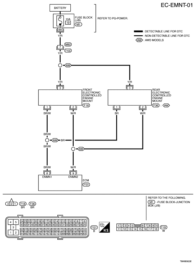
Electronic Controlled Engine Mount: Wiring Diagram

Fig 1: EC-EMNT-01 - Wiring Diagram
G04920737Courtesy of NISSAN NORTH AMERICA, INC.

Specification data are reference values and are measured between each terminal and ground.

CAUTION: Do not use ECM ground terminals when measuring input/output voltage. Doing so may result in damage to the ECM's transistor. Use a ground other than ECM terminals, such as the ground.
INPUT/OUTPUT VOLTAGE CHART

TERMINAL NO. WIRE COLOR ITEM CONDITION DATA (DC Voltage)
8 BR/W Electronic controlled engine mount-1 [Engine is running] 
  • Engine speed: Above 950 rpm.
BATTERY VOLTAGE (11 - 14V)
[Engine is running] 
  • For 2 seconds after engine speed is 950 rpm or less
0 - 1.0V
[Engine is running] 
  • More than 2 seconds after engine speed is 950 rpm or less
2.0 - 3.0V
9 W/R Electronic controlled engine mount-2 [Engine is running] 
  • Engine speed: Below 950 rpm
BATTERY VOLTAGE (11 - 14V)
[Engine is running] 
  • For 2 seconds after engine speed is 950 rpm or more
0 - 1.0V
[Engine is running] 
  • More than 2 seconds after engine speed is 950 rpm or more
2.0 - 3.0V