LEMON Manuals: Even more car manuals for everyone: 1960-2025
Home >> Nissan-Datsun >> 2007 >> Sentra SE-R >> Repair and Diagnosis (Single Page) >> External Pages >> Different car >> Section 19 (Body, Lock & Security System) >> Remote Keyless Entry System >> Wiring Diagram - KEYLES - >> Fig. 1
April 5, 2026: LEMON Manuals is launched! Read the announcement.

Fig. 1

WARNING: This page is about a different car, the 2006 Nissan Sentra. However, it is still accessible from the selected car via links, so may be relevant.
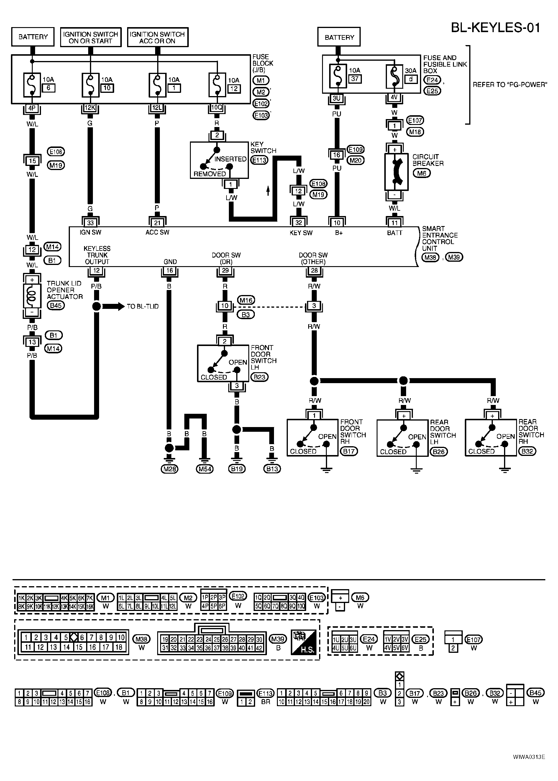
Fig 1: Wiring Diagram BL-KEYLES-01
G04194938Courtesy of NISSAN MOTOR CO., U.S.A.

SMART ENTRANCE CONTROL UNIT AND REFERENCE VALUE MEASURED BETWEEN EACH TERMINAL AND GROUND

TERMINALS SPECIFICATION CHART

TERMINAL WIRE COLOR ITEM CONDITION DATA (DC)
10 PU POWER SOURCE (FUSE) - 12V
11 W/L POWER SOURCE (CIRCUIT BREAKER) - 12V
12 P/B TRUNK LID OPENER ACTUATOR ON (OPEN) 0V
OFF (CLOSED) 12V
16 B GROUND - -
21 P IGNITION SWITCH (ACC, ON) ACC OR ON POSITION 12V
28 R/W OTHER DOOR SWITCHES OFF (CLOSED) 5V
ON (OPEN) 0V
29 R FRONT DOOR SWITCH LH OFF (CLOSED) 5V
ON (OPEN) 0V
32 L/W IGNITION KEY SWITCH (INSERT) IGNITION KEY IS INSERTED 12V
IGNITION KEY IS REMOVED 0V
33 G IGNITION SWITCH (ON) IGNITION KEY IS IN ON POSITION 12V
IGNITION SWITCH (START) IGNITION KEY IS IN START POSITION 12V