LEMON Manuals: Even more car manuals for everyone: 1960-2025
Home >> Nissan-Datsun >> 2007 >> Sentra SE-R >> Repair and Diagnosis (Single Page) >> External Pages >> Different car >> Section 19 (Body, Lock & Security System) >> Remote Keyless Entry System >> Wiring Diagram - KEYLES - >> Fig. 2
April 5, 2026: LEMON Manuals is launched! Read the announcement.

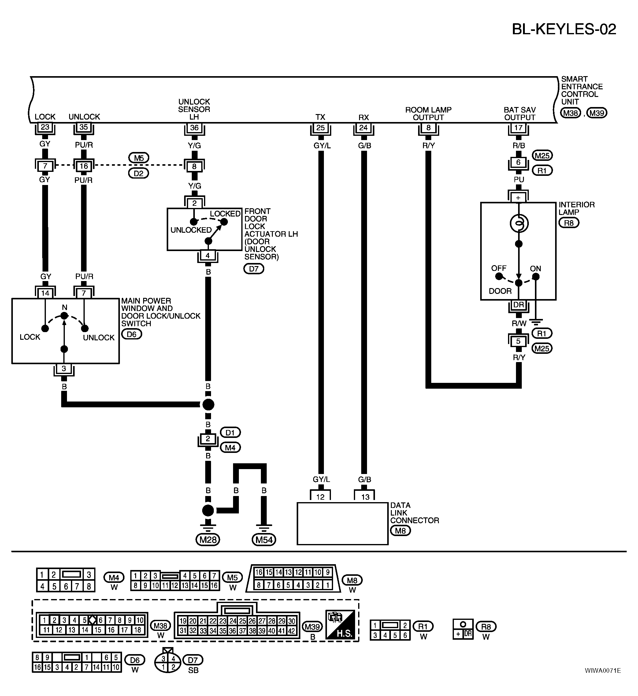
Fig. 2

WARNING: This page is about a different car, the 2006 Nissan Sentra. However, it is still accessible from the selected car via links, so may be relevant.
Fig 1: Wiring Diagram BL-KEYLES-02
G04194939Courtesy of NISSAN MOTOR CO., U.S.A.

SMART ENTRANCE CONTROL UNIT TERMINALS AND REFERENCE VALUE MEASURED BETWEEN EACH TERMINAL AND GROUND

TERMINALS SPECIFICATION CHART

TERMINAL WIRE COLOR ITEM CONDITION DATA (DC)
8 R/Y INTERIOR LAMP LAMP SWITCH IN DOOR POSITION 12V
17 R/B BATTERY SAVER (INTERIOR LAMP) BATTERY SAVER DOES NOT OPERATE 12V
BATTERY SAVER OPERATES 0V
23 GY DOOR LOCK & UNLOCK SWITCHES NEUTRAL 5V
LOCKS 0V
35 PU/R DOOR LOCK & UNLOCK SWITCHES NEUTRAL 5V
UNLOCKS 0V
36 Y/G DOOR UNLOCK SENSOR LH DRIVER DOOR: LOCKED 5V
DRIVER DOOR: UNLOCKED 0V