LEMON Manuals: Even more car manuals for everyone: 1960-2025
Home >> Nissan-Datsun >> 2007 >> Sentra SE-R >> Repair and Diagnosis >> External Pages >> Different car >> Section 51 (Continuously Variable Transmission (CVT)) >> Service Information >> DTC P0826 Manual Mode Switch Circuit >> Wiring Diagram - CVT - MMSW >> Notes
April 5, 2026: LEMON Manuals is launched! Read the announcement.

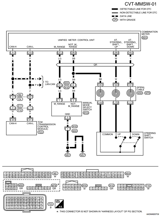
Wiring Diagram - CVT - MMSW: Notes

WARNING: This page is about a different car, the 2009 Nissan Sentra. However, it is still accessible from the selected car via links, so may be relevant.
Fig 1: CVT-MMSW-01 - Wiring Diagram
G05924341Courtesy of NISSAN MOTOR CO., U.S.A.