LEMON Manuals: Even more car manuals for everyone: 1960-2025
Home >> Nissan-Datsun >> 2007 >> Sentra SE-R >> Repair and Diagnosis >> External Pages >> Different variant/trim >> Section 4 (Manual Transmission) >> RS6F94R >> Transaxle Assembly >> Disassembly and Assembly >> Assembly
April 5, 2026: LEMON Manuals is launched! Read the announcement.

Disassembly and Assembly: Assembly

WARNING: This page is about a different variant/trim than selected.
  1. Install pinion gear (1) and pinion shaft (2) into clutch housing.
    Fig 1: Identifying Pinion Gear And Pinion Shaft
    G04926416
  2. Install two way connector (1) into clutch housing.
    Fig 2: Identifying Two Way Connector From Clutch Housing
    G04926415
  3. Install bushings (1) until they are flush with end face of clutch housing using a suitable tool (A).
    Fig 3: Installing Bushings
    G04926419
  4. Install oil channel and mainshaft front bearing outer race into clutch housing using Tool (A).

    Tool number A: KV38100200 ( - ) 

    CAUTION: Do not reuse oil channel.
    Fig 4: Identifying Clutch Housing
    G04926420
  5. Install input shaft oil seal (1) into clutch housing using Tool (A).

    Tool number A: ST33220000 ( - ) 

    Fig 5: Identifying Input Shaft Oil Seal Into Clutch Housing
    G04926421
  6. Install snap ring (1) and oil channel (2) onto transaxle case.
    Fig 6: Identifying Snap Ring And Oil Channel Onto Transaxle Case
    G04926422
  7. Install bearing Preloading shim and mainshaft rear bearing outer race into transaxle case using Tool (A).

    Tool number A: KV38100200 ( - ) 

    Fig 7: Identifying Shim And Mainshaft Rear Bearing Outer Race Into Transaxle Case
    G04926423
  8. Install bushings (1) into transaxle case using a suitable tool (A).
    Fig 8: Identifying Bushings Into Transaxle Case
    G04926424
  9. Install oil gutter (1) onto transaxle case.
    Fig 9: Identifying Oil Gutter Onto Transaxle Case
    G04926425
  10. Install shift lever oil seal (1) into transaxle case using a suitable tool (A).
    CAUTION: Do not reuse shift lever oil seal.
  11. Install select lever oil seal and bushings into transaxle case using a suitable tool.
    Fig 10: Identifying Shift Lever Oil Seal Into Transaxle Case
    G04926426
  12. Install shift finger (1) into transaxle case.
    Fig 11: Identifying Shift Finger From Transaxle Case
    G04926405
  13. Install select lever (1) and then install retaining pin.
    CAUTION: Do not reuse retaining pin.
    Fig 12: Identifying Select Lever
    G04926404
  14. Install shim and differential side bearing outer race (transaxle case side) into transaxle case using Tool (A).

    Tool number A: ST33400001 (J-26082) 

    Fig 13: Identifying Shim And Differential Side Bearing
    G04926429
  15. Install differential side bearing outer race (clutch housing side) into clutch housing using Tool (A).

    Tool number A: KV38100200 ( - ) 

    Fig 14: Identifying Special Tool On Differential Side Bearing Outer Race
    G04926430
  16. Install differential side oil seals (1) into clutch housing and transaxle case using Tool (A).

    Tool number A: KV38100300 (J-25523) 

  17. Install magnet onto clutch housing.
  18. Install final drive assembly into clutch housing.
    Fig 15: Identifying Special Tool On Differential Side Bearing Outer Race
    G04926431
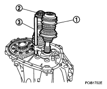
  19. Install input shaft assembly (1), mainshaft assembly (2) and 1st-2nd fork rod assembly (3) into clutch housing.
  20. Install spring washer located under the reverse idler shaft.
    Fig 16: Identifying Input Shaft Assembly, Mainshaft Assembly, And 1st-2nd Fork Rod
    G04926399
  21. Install reverse gear assembly (1) according to the following.
    1. Lift up the input shaft assembly (2) and mainshaft assembly (3).
    2. Install reverse gear assembly (1) and reverse fork rod (4) to clutch housing.
      Fig 17: Lifting Up Input Shaft Assembly And Mainshaft Assembly
      G04926398
  22. While lifting up fork rod (1), install 3rd-4th and 5th-6th fork rod assembly to clutch housing.
    Fig 18: Lifting Up Fork Rod
    G04926397
  23. Install retaining pin into 5th-6th shift fork using a suitable tool.
    CAUTION: Do not reuse retaining pin.
    Fig 19: Identifying Retaining Pin From 5th-6th Shift Fork
    G04926396
  24. Move 1st-2nd fork rod (1), 3rd-4th and 5th-6th fork rod assembly (2), and reverse fork rod (3) to neutral position.
  25. Install selector (4) into clutch housing.
  26. Install spring of selector into return bushing.
  27. Apply recommended sealant onto the mating surface of transaxle case.
    CAUTION:
    • Remove old sealant adhering to the mating surfaces. Also remove any moisture, oil, or foreign material adhering to both mating surfaces.
    • Check for damage on the mating surface.
    • Apply a continuous bead of liquid gasket to the mating surface.
      Fig 20: Identifying 1st-2nd Fork Rod, 3rd-4th And 5th-6th Fork Rod Assembly
      G04926436
  28. Engage shift finger and selector by moving select lever (1). Install transaxle case to clutch housing.
    Fig 21: Installing Transaxle Case To Clutch Housing
    G04926437
  29. Install seal washer and reverse idler shaft bolt (<==), and then tighten bolt to specification. Refer to "GEAR COMPONENTS ".
    CAUTION: Do not reuse seal washer.
    Fig 22: Locating Reverse Idler Shaft Bolt
    G04926392
  30. Tighten bolts to specification. Refer to "CASE AND HOUSING COMPONENTS ".
    Fig 23: Locating Transaxle Bolts
    G04926391
  31. Apply sealant to the threads of position switch (1). Then install it into transaxle case and tighten to specification. Refer to "CASE AND HOUSING COMPONENTS ".
  32. Install bracket (2), and tighten bolt to specification. Refer to "CASE AND HOUSING COMPONENTS ".
  33. Install shift lever (3), and then install retaining pin using a suitable tool.
    CAUTION: Do not reuse retaining pin.
    Fig 24: Identifying Shift Lever, Bracket And Switch
    G04926440
  34. Install CSC onto clutch housing. Refer to "CASE AND HOUSING COMPONENTS ".
  35. Install a new gasket onto drain plug, and then install it into clutch housing using the socket. Tighten drain plug to specification. Refer to "CASE AND HOUSING COMPONENTS ".
  36. Install a new gasket onto filler plug, and then install it into transaxle case. Tighten filler plug to specification. Refer to "CASE AND HOUSING COMPONENTS ".
    CAUTION:
    • Do not reuse gasket.
    • After oil is filled, tighten filler plug to specification.