LEMON Manuals: Even more car manuals for everyone: 1960-2025
Home >> Nissan-Datsun >> 2007 >> X-Trail LE >> Repair and Diagnosis >> Engine Performance >> System >> Engine Control System - Component Testing >> Electrical Load Signal >> Wiring Diagram >> Headlamp
April 5, 2026: LEMON Manuals is launched! Read the announcement.

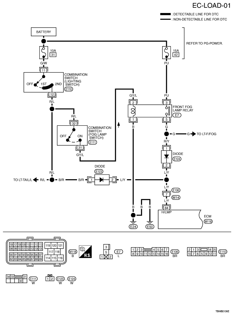
Electrical Load Signal: Wiring Diagram: Headlamp

Fig 1: Wiring Diagram - Headlamp
G06153006Courtesy of NISSAN MOTOR CO., U.S.A.

Specification data are reference values and are measured between each terminal and ground.

CAUTION: Do not use ECM ground terminals when measuring input/output voltage. Doing so may result in damage to the ECM's transistor. Use a ground other than ECM terminals, such as the ground.
ITEM CONDITION CHART

TERMINAL NO. WIRE COLOR ITEM CONDITION DATA (DC Voltage)
84 L/Y Electrical load signal (Headlamp signal) [Lighting switch: ON] 
  • Lighting switch: 1st or 2nd position
BATTERY VOLTAGE (11 - 14V)
[Lighting switch: ON] 
  • Lighting switch: OFF
Approximately 0V