LEMON Manuals: Even more car manuals for everyone: 1960-2025
Home >> Nissan-Datsun >> 2007 >> X-Trail LE >> Repair and Diagnosis >> Engine Performance >> System >> Engine Control System - DTCS P0455 To P1147 >> DTC P1122 Electric Throttle Control Function >> Diagnostic Procedure
April 5, 2026: LEMON Manuals is launched! Read the announcement.

Diagnostic Procedure

  1. CHECK GROUND CONNECTIONS 
    1. Turn ignition switch OFF.
    2. Loosen and retighten three ground screws on the body.

    Refer to "GROUND INSPECTION ".

    Fig 1: Identifying Multi-Remote Control Unit And Steering Member
    G06152732Courtesy of NISSAN MOTOR CO., U.S.A.

    OK or NG 

    OK: GO TO 2.

    NG: Repair or replace ground connections.

  2. CHECK THROTTLE CONTROL MOTOR RELAY SIGNAL CIRCUIT 

    Check voltage between ECM terminal 3 and ground under the following conditions with CONSULT-II or tester.

    VOLTAGE SPECIFICATION

    Ignition switch Voltage
    OFF Approximately 0V
    ON Battery voltage
    (11 - 14V)
    Fig 2: Checking Voltage Between ECM Terminal 3 And Ground
    G06152733Courtesy of NISSAN MOTOR CO., U.S.A.

    OK or NG 

    OK: GO TO  10.

    NG: GO TO 3.

  3. CHECK THROTTLE CONTROL MOTOR RELAY POWER SUPPLY CIRCUIT 
    1. Turn ignition switch OFF.
    2. Disconnect throttle control motor relay.
      Fig 3: Identifying Throttle Control Motor Relay And Cooling Fan Relay
      G06152734Courtesy of NISSAN MOTOR CO., U.S.A.
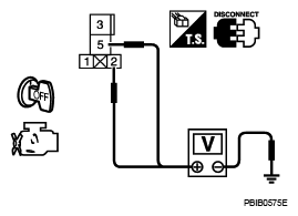
    3. Check voltage between throttle control motor relay terminals 2, 5 and ground with CONSULT-II or tester.

    Voltage: Battery voltage 

    Fig 4: Checking Voltage Between Throttle Control Motor Relay Terminals 2, 5 And Ground
    G06152735Courtesy of NISSAN MOTOR CO., U.S.A.

    OK or NG 

    OK: GO TO  5.

    NG: GO TO 4.

  4. DETECT MALFUNCTIONING PART 

    Check the following.

    • 15A fuse
    • Harness for open or short between throttle control motor relay and battery

      Repair or replace harness or connectors.

  5. CHECK THROTTLE CONTROL MOTOR RELAY INPUT SIGNAL CIRCUIT 
    1. Disconnect ECM harness connector.
    2. Check harness continuity between throttle control motor relay terminal 3 and ECM terminal 3. Refer to WIRING DIAGRAM .

      Continuity should exist. 

    3. Also check harness for short to ground and short to power.

    OK or NG 

    OK: GO TO  7.

    NG: GO TO 6.

  6. DETECT MALFUNCTIONING PART 

    Check the following.

    • Harness connectors E61, F38
    • Harness for open or short between throttle control motor relay and ECM

      Repair open circuit or short to ground or short to power in harness or connectors.

  7. CHECK THROTTLE CONTROL MOTOR RELAY OUTPUT SIGNAL CIRCUIT 
    1. Check continuity between throttle control motor relay terminal 1 and ECM terminal 104.

      Refer to WIRING DIAGRAM .

      Continuity should exist. 

    2. Also check harness for short to ground and short to power.

    OK or NG 

    OK: GO TO  9.

    NG: GO TO 8.

  8. DETECT MALFUNCTIONING PART 

    Check the following.

    • Harness connectors E125, M94 (2WD models)
    • Harness connectors E116, M75 (AWD models)
    • Harness for open or short between throttle control motor relay and ECM

      Repair open circuit or short to ground or short to power in harness or connectors.

  9. CHECK THROTTLE CONTROL MOTOR RELAY 

    Refer to "COMPONENT INSPECTION ".

    OK or NG 

    OK: GO TO  13.

    NG: Replace throttle control motor relay.

  10. CHECK THROTTLE CONTROL MOTOR OUTPUT SIGNAL CIRCUIT FOR OPEN OR SHORT 
    1. Turn ignition switch OFF.
    2. Disconnect electric throttle control actuator harness connector.
    3. Check harness continuity between the following terminals.

      Refer to WIRING DIAGRAM .

      CONTINUITY CHART

      Electric throttle control actuator terminal ECM terminal Continuity
      3 4 Should exist
      5 Should not exist
      6 4 Should not exist
      5 Should exist
      Fig 5: Identifying Electric Throttle Control Actuator Harness Connector
      G06152736Courtesy of NISSAN MOTOR CO., U.S.A.
    4. Also check harness for short to ground and short to power.

    OK or NG 

    OK: GO TO 11.

    NG: Repair open circuit or short to ground or short to power in harness or connectors.

  11. CHECK ELECTRIC THROTTLE CONTROL ACTUATOR VISUALLY 
    1. Remove the intake air duct.
    2. Check if foreign matter is caught between the throttle valve and the housing.
    Fig 6: Identifying Electric Throttle Control Actuator And Throttle Valve
    G06152737Courtesy of NISSAN MOTOR CO., U.S.A.

    OK or NG 

    OK: GO TO 12.

    NG: Remove the foreign matter and clean the electric throttle control actuator inside.

  12. CHECK THROTTLE CONTROL MOTOR 

    Refer to "COMPONENT INSPECTION ".

    OK or NG 

    OK: GO TO 13.

    NG: GO TO  14.

  13. CHECK INTERMITTENT INCIDENT 

    Refer to "TROUBLE DIAGNOSIS FOR INTERMITTENT INCIDENT ".

    OK or NG 

    OK: GO TO 14.

    NG: Repair or replace harness or connectors.

  14. REPLACE ELECTRIC THROTTLE CONTROL ACTUATOR 
    1. Replace the electric throttle control actuator.
    2. Perform "THROTTLE VALVE CLOSED POSITION LEARNING ".
    3. Perform "IDLE AIR VOLUME LEARNING ".

    INSPECTION END