LEMON Manuals: Even more car manuals for everyone: 1960-2025
Home >> Nissan-Datsun >> 2008 >> Frontier XE >> Repair and Diagnosis >> Engine Performance >> Engine Control Systems >> Engine Control System (Qr25DE) >> Function Diagnosis >> Engine Control System >> System Diagram
April 5, 2026: LEMON Manuals is launched! Read the announcement.

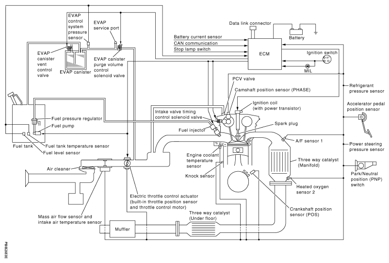
System Diagram

Fig 1: Engine Control System Diagram
G05699820Courtesy of NISSAN MOTOR CO., U.S.A.