LEMON Manuals: Even more car manuals for everyone: 1960-2025
Home >> Nissan-Datsun >> 2008 >> Quest Base >> Repair and Diagnosis (Single Page) >> Engine Performance >> Engine Control Systems >> Engine Control System - DTCS P0137 Through P0443 >> DTC P0171, P0174 Fuel Injection System Function >> Wiring Diagram >> Bank 2
April 5, 2026: LEMON Manuals is launched! Read the announcement.

Bank 2

For PG, go to POWER SUPPLY, GROUND & CIRCUIT ELEMENTS .

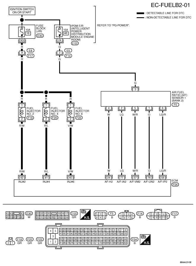
Fig 1: Wiring Diagram (Bank 2) - EC-FUELB2-01
G04905399Courtesy of NISSAN MOTOR CO., U.S.A.

Specification data are reference values and are measured between each terminal and ground.

Pulse signal is measured by CONSULT-III.

CAUTION: Do not use ECM ground terminals when measuring input/output voltage. Doing so may result in damage to the ECM's transistor. Use a ground other than ECM terminals, such as the ground.
CONNECTOR TERMINAL SPECIFICATION DATA REFERENCE VALUES

TERMINAL NO. WIRE COLOR ITEM CONDITION DATA (DC Voltage)
24 W A/F sensor 1 heater (Bank 2) [Engine is running] 
  • Warm-up condition 
  • Idle speed
G04905400Courtesy of NISSAN MOTOR CO., U.S.A.
40
41
42
V/W
R/L
R/W
Fuel injector No. 6
Fuel injector No. 4
Fuel injector No. 2
[Engine is running] 
  • Warm-up condition 
  • Idle speed
NOTE: The pulse cycle changes depending on rpm at idle
BATTERY VOLTAGE
G04905160Courtesy of NISSAN MOTOR CO., U.S.A.
[Engine is running] 
  • Warm-up condition 
  • Engine speed: 2, 000 rpm
BATTERY VOLTAGE
G04905161Courtesy of NISSAN MOTOR CO., U.S.A.
57 W/R A/F sensor 1 (Bank 2) [Engine is running] 
  • Warm-up condition 
  • Idle speed
Approximately 2.6V
58 LG/R Approximately 2.3V
76 O Approximately 3.1V
77 LG Approximately 2.3V
*: Average voltage for pulse signal (Actual pulse signal can be confirmed by oscilloscope.)