LEMON Manuals: Even more car manuals for everyone: 1960-2025
Home >> Nissan-Datsun >> 2008 >> Quest Base >> Repair and Diagnosis >> Engine Performance >> Engine Control Systems >> Engine Control System - DTCS P0137 Through P0443 >> DTC P0400 EGR Function >> Wiring Diagram
April 5, 2026: LEMON Manuals is launched! Read the announcement.

DTC P0400 EGR Function: Wiring Diagram

For PG, go to POWER SUPPLY, GROUND & CIRCUIT ELEMENTS .

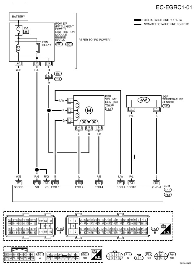
Fig 1: Wiring Diagram - EC-EGRCI-01
G04905499Courtesy of NISSAN MOTOR CO., U.S.A.

Specification data are reference values and are measured between each terminal and ground.

CAUTION: Do not use ECM ground terminals when measuring input/output voltage. Doing so may result in damage to the ECM's transistor. Use a ground other than ECM terminals, such as the ground.
CONNECTOR TERMINAL SPECIFICATION DATA REFERENCE VALUES

TERMINAL NO. WIRE COLOR ITEM CONDITION DATA (DC Voltage)
17
18
19
20
P/B
G
L
L/W
EGR volume control valve [Engine is running] 
  • Idle speed
0.1 - 14V
54 P/L EGR temperature sensor [Ignition switch: ON]  Less than 4.5V
[Engine is running] 
  • Warm-up condition 
  • EGR system: Operating
0 - 1.5V
67 B Sensor ground [Engine is running] 
  • Warm-up condition 
  • Idle speed
Approximately 0V
111 W/B ECM relay (Self shut-off) [Engine is running] 
[Ignition switch: OFF] 
  • For a few seconds after turning ignition switch OFF
0 - 1.5V
[Ignition switch: OFF] 
  • More than a few seconds after turning ignition switch OFF
BATTERY VOLTAGE (11 - 14V)
119
120
R/G
R/G
Power supply for ECM [Ignition switch: ON]  BATTERY VOLTAGE (11 - 14V)