LEMON Manuals: Even more car manuals for everyone: 1960-2025
Home >> Nissan-Datsun >> 2008 >> Sentra Base, Automatic CVT >> Repair and Diagnosis >> Engine Performance >> Engine Control Systems >> Engine Control System - DTCS U1000 To P0171 (MR20DE) >> DTC P0171 Fuel Injection System Function >> Wiring Diagram
April 5, 2026: LEMON Manuals is launched! Read the announcement.

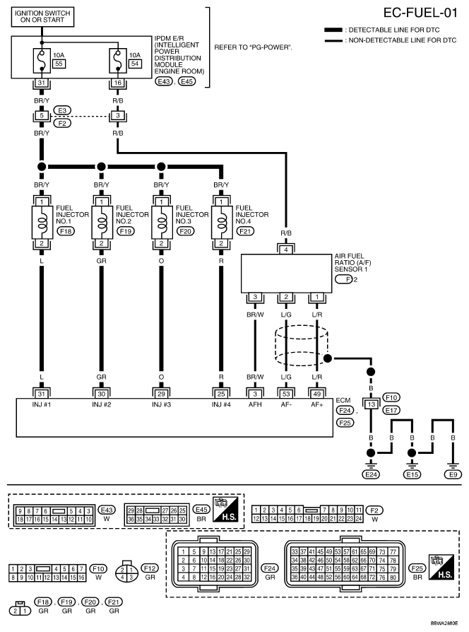
DTC P0171 Fuel Injection System Function: Wiring Diagram

For PG, go to POWER SUPPLY, GROUND & CIRCUIT ELEMENTS .

Fig 1: Wiring Diagram - EC-FUEL-01
G04925335Courtesy of NISSAN MOTOR CO., U.S.A.

Specification data are reference values and are measured between each terminal and ground.

Pulse signal is measured by CONSULT-III.

CAUTION: Do not use ECM ground terminals when measuring input/output voltage. Doing so may result in damage to the ECM's transistor. Use a ground other than ECM terminals, such as the ground.
TERMINAL ITEM CONDITION CHART

TERMINAL NO. WIRE COLOR ITEM CONDITION DATA (DC Voltage)
3 BR/W A/F sensor 1 heater [Engine is running] 
  • Warm-up condition 
  • Idle speed (More than 140 seconds after starting engine)
G04900085Courtesy of NISSAN MOTOR CO., U.S.A.
25
29
30
31
R
O
GR
L
Fuel injector No. 4
Fuel injector No. 3
Fuel injector No. 2
Fuel injector No. 1
[Engine is running] 
  • Warm-up condition 
  • Idle speed
NOTE: The pulse cycle changes depending on RPM at idle
G04895182Courtesy of NISSAN MOTOR CO., U.S.A.
[Engine is running] 
  • Warm-up condition 
  • Engine speed: 2, 000 RPM
G04925175Courtesy of NISSAN MOTOR CO., U.S.A.
49 L/R A/F sensor 1 [Engine is running] 
  • Warm-up condition 
  • Engine speed: 2, 000 RPM
Approximately 1.8V
Output voltage varies with air fuel ratio.
53 L/G A/F sensor 1 [Ignition switch: ON]  Approximately 2.2V
* : Average voltage for pulse signal (Actual pulse signal can be confirmed by oscilloscope.)