LEMON Manuals: Even more car manuals for everyone: 1960-2025
Home >> Nissan-Datsun >> 2008 >> Sentra SE-R Spec V, RS6F52H >> Repair and Diagnosis >> Engine Performance >> Engine Control Systems >> Engine Control System - Introduction (Qr25DE) >> Engine Control System >> System Diagram
April 5, 2026: LEMON Manuals is launched! Read the announcement.

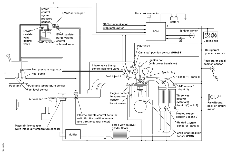
System Diagram

Fig 1: Engine Control - System Diagram
G04925685Courtesy of NISSAN MOTOR CO., U.S.A.