LEMON Manuals: Even more car manuals for everyone: 1960-2025
Home >> Nissan-Datsun >> 2008 >> Sentra SE-R >> Repair and Diagnosis (Single Page) >> External Pages >> Different car >> Section 14 (Body, Lock & Security System) >> Remote Keyless Entry System >> Wiring Diagram - KEYLES -
April 5, 2026: LEMON Manuals is launched! Read the announcement.

Wiring Diagram - KEYLES -

WARNING: This page is about a different car, the 2007 Nissan Pathfinder. However, it is still accessible from the selected car via links, so may be relevant.

Refer to POWER SUPPLY, GROUND & CIRCUIT ELEMENTS -- PATHFINDER .

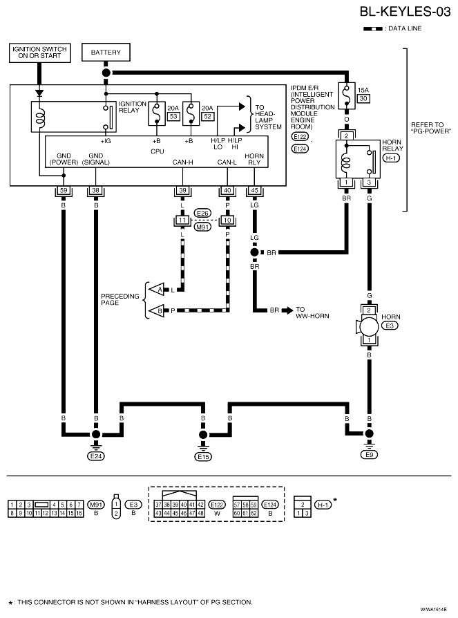
Fig 1: Identifying BL-KEYLES-01 - Wiring Diagram
G04912735
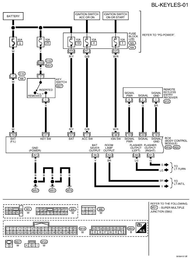
Fig 2: Identifying BL-KEYLES-02 - Wiring Diagram
G04912736
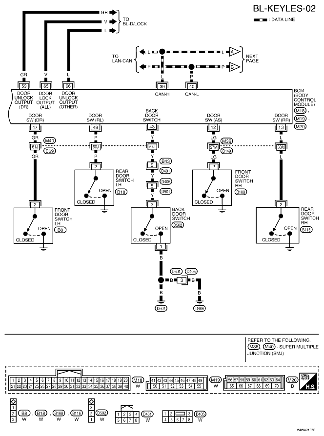
Fig 3: Identifying BL-KEYLES-03 - Wiring Diagram
G04912737