LEMON Manuals: Even more car manuals for everyone: 1960-2025
Home >> Nissan-Datsun >> 2008 >> Sentra SE-R >> Repair and Diagnosis >> Engine Performance >> Engine Control Systems >> Engine Control System - DTCS P1148 To P2A03 (Qr25DE) >> DTC P1564 ASCD Steering Switch >> Diagnostic Procedure
April 5, 2026: LEMON Manuals is launched! Read the announcement.

Diagnostic Procedure

  1. CHECK GROUND CONNECTIONS 
    1. Turn ignition switch OFF.
    2. Loosen and retighten ground screws on the body.

      Refer to "GROUND INSPECTION ".

      Fig 1: Identifying Body Ground Connections
      G04926154Courtesy of NISSAN MOTOR CO., U.S.A.

    OK or NG 

    OK: GO TO 2.

    NG: Repair or replace ground connections.

  2. CHECK ASCD STEERING SWITCH CIRCUIT 

    With CONSULT-III 

    1. Turn ignition switch ON.
    2. Select "MAIN SW", "RESUME/ACC SW", "SET SW and "CANCEL SW" in "DATA MONITOR" mode with CONSULT-III.
    3. Check each item indication under the following conditions.
      DATA MONITOR REFERENCE

      Switch Monitor item Condition Indication
      MAIN switch MAIN SW Pressed ON
      Released OFF
      CANCEL switch CANCEL SW Pressed ON
      Released OFF
      RESUME/ACCELERATE switch RESUME/ACC SW Pressed ON
      Released OFF
      SET/COAST switch SET SW Pressed ON
      Released OFF

    Without CONSULT-III 

    1. Turn ignition switch ON.
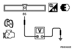
    2. Check voltage between ECM terminal 85 and ground with pressing each button.
      TERMINALS VOLTAGE CHART

      Switch Condition Voltage [V]
      MAIN switch Pressed Approx. 0
      Released Approx. 4.0
      CANCEL switch Pressed Approx. 1.0
      Released Approx. 4.0
      RESUME/ACCELERATE switch Pressed Approx. 3.0
      Released Approx. 4.0
      SET/COAST switch Pressed Approx. 2.0
      Released Approx. 4.0
      Fig 2: Checking Voltage Between ECM Terminal 85 And Ground
      G04926155Courtesy of NISSAN MOTOR CO., U.S.A.

    OK or NG 

    OK: GO TO  8.

    NG: GO TO 3.

  3. CHECK ASCD STEERING SWITCH GROUND CIRCUIT FOR OPEN AND SHORT 
    1. Turn ignition switch OFF.
    2. Disconnect combination switch harness connector M78.
    3. Disconnect ECM harness connector.
    4. Check harness continuity between combination switch terminal 20 (unit side) and ECM terminal 92.

      Refer to WIRING DIAGRAM .

      Continuity should exist. 

    5. Also check harness for short to ground or short to power.

    OK or NG 

    OK: GO TO  5.

    NG: GO TO 4.

  4. DETECT MALFUNCTIONING PART 

    Check the following.

    • Harness connectors M2, E4
    • Combination switch (spiral cable)
    • Harness for open and short between ECM and combination switch

    : Repair open circuit or short to ground or short to power in harness or connectors.

  5. CHECK ASCD STEERING SWITCH INPUT SIGNAL CIRCUIT FOR OPEN AND SHORT 
    1. Check harness continuity between ECM terminal 85 and combination switch terminal 16.

      Refer to WIRING DIAGRAM .

      Continuity should exist. 

    2. Also check harness for short to ground and short to power.

    OK or NG 

    OK: GO TO  7.

    NG: GO TO 6.

  6. DETECT MALFUNCTIONING PART 

    Check the following.

    • Harness connectors M2, E4
    • Combination switch (spiral cable)
    • Harness for open and short between ECM and combination switch

    : Repair open circuit or short to ground or short to power in harness or connectors.

  7. CHECK ASCD STEERING SWITCH 

    Refer to "COMPONENT INSPECTION ".

    OK or NG 

    OK: GO TO 7.

    NG: Replace ASCD steering switch.

  8. CHECK INTERMITTENT INCIDENT 

    Refer to "TROUBLE DIAGNOSIS FOR INTERMITTENT INCIDENT ".

    : INSPECTION END