LEMON Manuals: Even more car manuals for everyone: 1960-2025
Home >> Nissan-Datsun >> 2008 >> Sentra SE-R >> Repair and Diagnosis >> Engine Performance >> Engine Control Systems >> Engine Control System - DTCS P1148 To P2A03 (Qr25DE) >> DTC P2135 TP Sensor >> Wiring Diagram
April 5, 2026: LEMON Manuals is launched! Read the announcement.

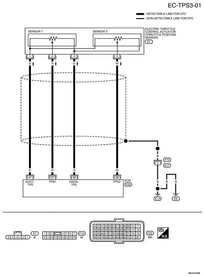
DTC P2135 TP Sensor: Wiring Diagram

Fig 1: EC-TPS3-01 - Wiring Diagram
G04926208Courtesy of NISSAN MOTOR CO., U.S.A.

Specification data are reference values and are measured between each terminal and ground.

CAUTION: Do not use ECM ground terminals when measuring input/output voltage. Doing so may result in damage to the ECM's transistor. Use a ground other than ECM terminals, such as the ground.
INPUT/OUTPUT VOLTAGE CHART

TERMINAL NO. WIRE COLOR ITEM CONDITION DATA (DC Voltage)
36 G Sensor ground (Throttle position sensor) [Engine is running] 
  • Warm-up condition 
  • Idle speed
Approximately 0V
37 R Throttle position sensor 1 [Ignition switch: ON] 
  • Engine stopped
  • Shift lever: D (CVT), 1st (M/T)
  • Accelerator pedal: Fully released
More than 0.36V
[Ignition switch: ON] 
  • Engine stopped
  • Shift lever: D (CVT), 1st (M/T)
  • Accelerator pedal: Fully depressed
Less than 4.75V
38 W Throttle position sensor 2 [Ignition switch: ON] 
  • Engine stopped
  • Shift lever: D (CVT), 1st (M/T)
  • Accelerator pedal: Fully released
Less than 4.75V
[Ignition switch: ON] 
  • Engine stopped
  • Shift lever: D (CVT), 1st (M/T)
  • Accelerator pedal: Fully depressed
More than 0.36V
47 B Sensor power supply
(Throttle position sensor)
[Ignition switch: ON]  Approximately 5V