LEMON Manuals: Even more car manuals for everyone: 1960-2025
Home >> Nissan-Datsun >> 2008 >> Sentra SE-R >> Repair and Diagnosis >> External Pages >> Different car >> Section 141 (Door & Lock (With Intelligent Key System)) >> Power Door Lock System >> Intelligent Key System >> Wiring Diagram
April 5, 2026: LEMON Manuals is launched! Read the announcement.

Intelligent Key System: Wiring Diagram

WARNING: This page is about a different car, the 2012 Nissan Pathfinder. However, it is still accessible from the selected car via links, so may be relevant.
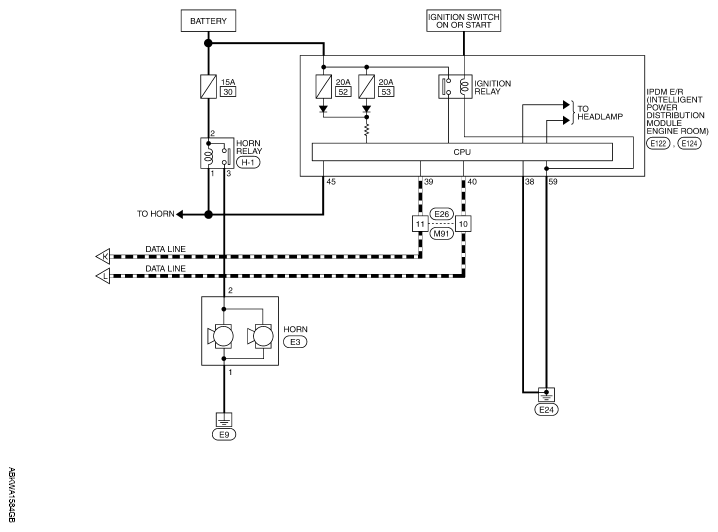
Fig 1: Intelligent Key System Wiring Diagram (1 Of 5)
G08168012Courtesy of NISSAN NORTH AMERICA, INC.
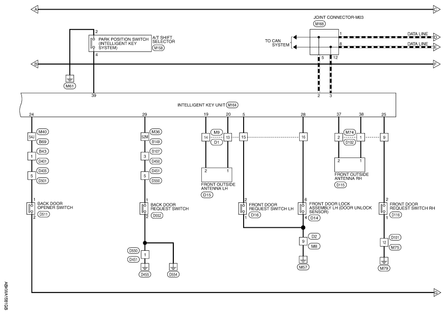
Fig 2: Intelligent Key System Wiring Diagram (2 Of 5)
G08168013Courtesy of NISSAN NORTH AMERICA, INC.
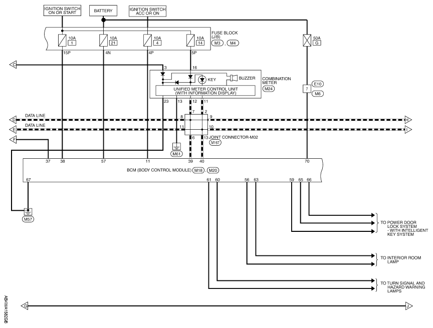
Fig 3: Intelligent Key System Wiring Diagram (3 Of 5)
G08168014Courtesy of NISSAN NORTH AMERICA, INC.
Fig 4: Intelligent Key System Wiring Diagram (4 Of 5)
G08168015Courtesy of NISSAN NORTH AMERICA, INC.
Fig 5: Intelligent Key System Wiring Diagram (5 Of 5)
G08168016Courtesy of NISSAN NORTH AMERICA, INC.